Головна » Продукція » Електроприводна техніка » Редуктори і мотор-редуктори » Редуктори » Планетарні редуктори » Планетарный редуктор P120 i=3,70
Найменування | Планетарный редуктор |
|---|---|
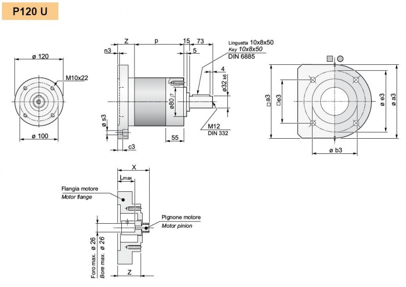
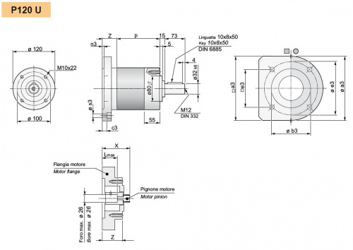
Тип | P120 U |
Маса | — |
Передатне число | 3,70 |
Документація | planetary_gear.pdf (898 KB) |
Монтаж | фланец |
Габарит | 120 |
Момент на валу | 50 Nm |
Серія | P |
Діаметр вала | 32 мм |
Діаметр корпусу | 120 мм |
Кількість ступенів | 1 |