Планетарный редуктор P52 i=13,73

Планетарный редуктор P52 i=13,73


Ціна0,01 грн.

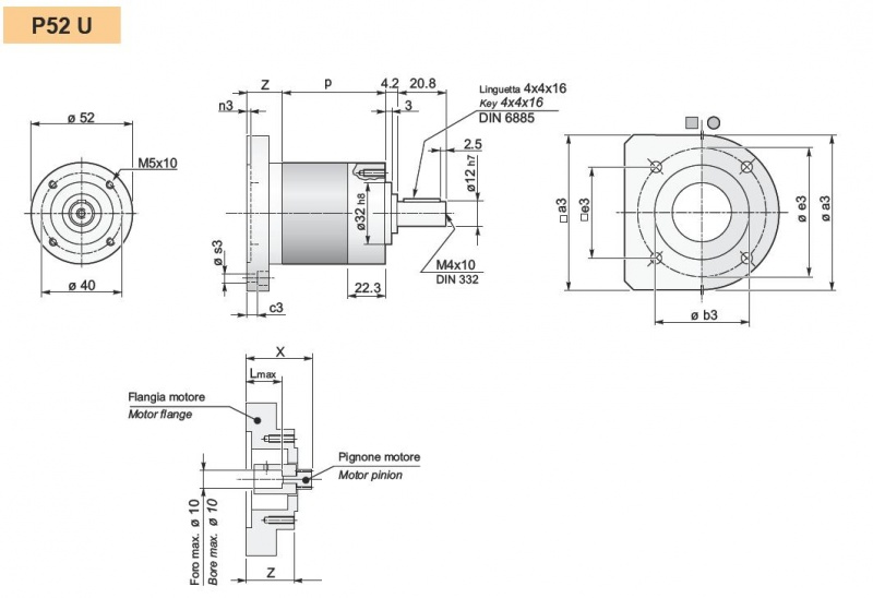
Планетарный редуктор TRANSTECNO серии P52
Найменування
Планетарный редуктор
Тип
P52 U
Маса
Передатне число
13,73
Документація
planetary_gear.pdf (898 KB)
Монтаж
фланец
Габарит
52
Момент на валу
12 Nm
Серія
P
Діаметр вала
12 мм
Діаметр корпусу
52 мм
Кількість ступенів
2

Фотогалерея