Головна » Продукція » Електроприводна техніка » Редуктори і мотор-редуктори » Редуктори » Планетарні редуктори » Планетарный редуктор P72 i=19,20
Найменування | Планетарный редуктор |
|---|---|
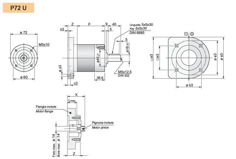
Тип | P72 U |
Маса | — |
Передатне число | 19,20 |
Документація | planetary_gear.pdf (898 KB) |
Монтаж | фланец |
Габарит | 62 |
Момент на валу | 42 Nm |
Серія | P |
Діаметр вала | 16 мм |
Діаметр корпусу | 72 мм |
Кількість ступенів | 2 |