Головна » Продукція » Електроприводна техніка » Редуктори і мотор-редуктори » Редуктори » Планетарні редуктори » Планетарный редуктор P105 i=45,56
Найменування | Планетарный редуктор |
|---|---|
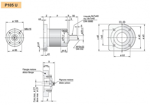
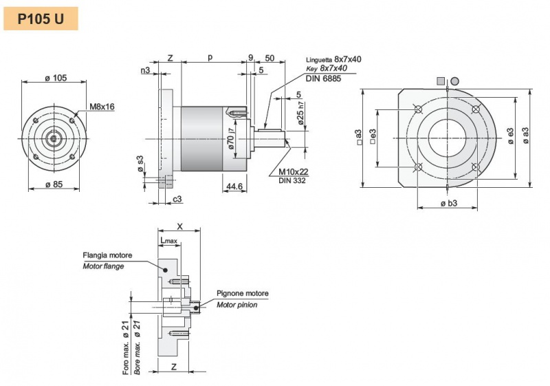
Тип | P105 U |
Маса | — |
Передатне число | 45,56 |
Документація | planetary_gear.pdf (898 KB) |
Монтаж | фланец |
Габарит | 105 |
Момент на валу | 105 Nm |
Серія | P |
Діаметр вала | 25 мм |
Діаметр корпусу | 105 мм |
Кількість ступенів | 2 |