Головна » Продукція » Електроприводна техніка » Редуктори і мотор-редуктори » Редуктори » Планетарні редуктори » Планетарный редуктор P62 i=195,26
Найменування | Планетарный редуктор |
|---|---|
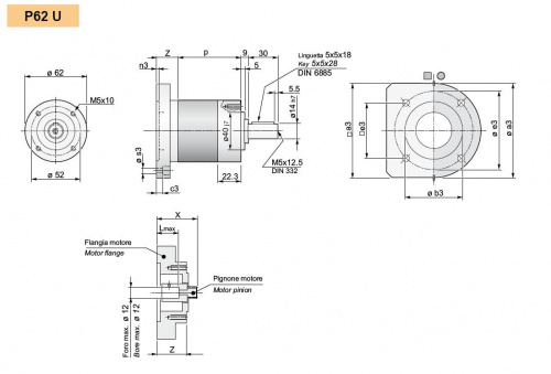
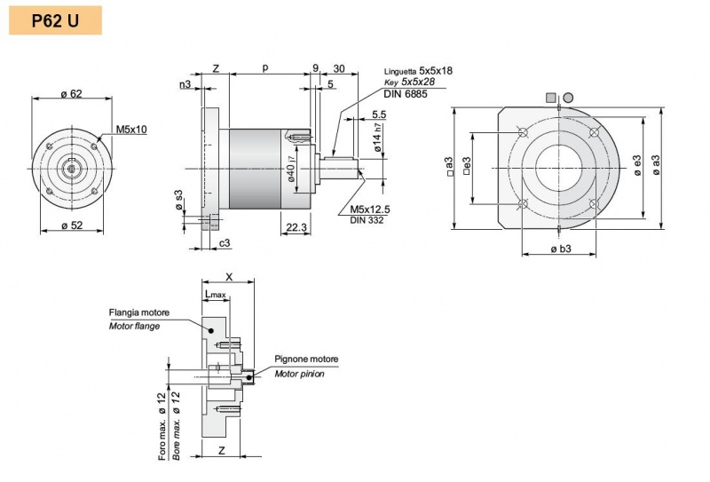
Тип | P62 U |
Маса | — |
Передатне число | 195,26 |
Документація | planetary_gear.pdf (898 KB) |
Монтаж | фланец |
Габарит | 62 |
Момент на валу | 50 Nm |
Серія | P |
Діаметр вала | 14 мм |
Діаметр корпусу | 62 мм |
Кількість ступенів | 3 |