» Продукція

CR CR024B

Тижневий програмовний термостат Perry CR CR024B (корпус білого кольору), CR CR024A (корпус графітового кольору)

Призначений для автоматичного регулювання температури у приміщенні згідно з заданою програмою на кожен день тижня. Ця модель є аналогом CR022B, але живиться від мережі змінного струму 230 В і має дисплей з підсвічуванням.

Конструкція і оснащення:

Дисплей: рідкокристалічний, 4”, з підсвічуванням
Монтаж: накладний/заглиблений
Розміри (ВхШхГ): 120 х 82 х 27,6/22 мм
Ступінь захисту: IP30

Електричні характеристики

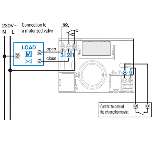
Вихід: безпотенційний перекидний контакт 8(2)А, 250В
Живлення: 230 В AC

Основні функції:

Температурних рівнів: 3 (Комфорт, Робота, Економія)
4 предвстановлені програми і одна користувацька
Діапазон регулювання +5…+39 °C
Крок завдання температури: 0,1 °C
Режими роботи: літо/зима/вимк.*
Корекція температури**: ±1,9°С
Захист від замерзання: регулюється від +4 °С до +12 °С (за замовчуванням +5 °С)
Мінімальний інтервал завдання температури — 30 хвилин
Тип регулювання: ON/OFF з налаштовуваним диференціалом 0,2…2,0 °С (0,6 °C за замовчуванням) або пропорційний з циклом 7–10–15–20 хвилин (10 хв за замовчуванням)
Відображення поточної і запрограмованої температури
Точність відображення поточної температури: 0,1°C
Мова інтерфейсу: англійська
Індикація: стану реле, режиму роботи

* Режим "Зима" – термостат працює як нагрівач. Виконавчий прилад увімкнено, поки температура менша за встановлену.
Режим "Літо" -
термостат працює як охолоджувач. Виконавчий прилад увімкнено, поки температура вище встановленої.
Режим "Вимк." - при активному режимі "Зима" активується захист від замерзання, при активному режимі "Літо" термостат повністю відключається.
** для випадків, коли термостат встановлений у місці, де зовнішні фактори вносять похибку у вимірювання (наприклад, на зовнішній стіні, яка взимку холодніша за внутрішні).

Додаткові функції:

Режим «HOLIDAY» - призупинення поточної програми на час до 999 годин максимум
Режим інтелектуального керування – завчасне увімкнення виконавчого пристрою для досягнення потрібної температури вже на завданий час
Опціональний режим ручного керування (постійний або тимчасовий)
Можливість зупинки нагрівача або кондиціонера для чищення (до 3 годин)
Можливість налаштування поточного часу і дня
Можливість обмеження діапазону регулювання температури
Можливість повного відключення регулювання (OFF)
Функція активації насоса на 2 хвилини щодня (для запобігання накипу)
Відображення (на вибір) поточної температури або часу
Відображення часу роботи нагрівача/охолоджувача (загального і за добу)
Скидання збережених даних і налаштувань (RESET)
Індикація проблем з нагрівачем/охолоджувачем
Сповіщення про помилки і збої у роботі термостата