» Продукція

CR CR029B, CR CR029A

Тижневі програмовні термостати Perry CR029B (корпус білого кольору), CR029A (корпус графітового кольору)

Ця модель конструктивно і програмно аналогічна моделі CR028, але, на відміну від неї, працює від мережі змінного струму 230 В і не має можливості підключення зовнішнього датчика температури. Ще одна відмінність – цей термостат може сигналізувати про економний, нормальний або підвищений рівень споживання електроенергії підключеними виконавчими пристроями за допомогою підсвічування кнопок керування різними кольорами.

Конструкція і оснащення:

Дисплей: рідкокристалічний, 4,3” з підсвічуванням
4 підсвічувані кнопки
Монтаж: накладний
Розміри (Ш х В х Г): 128,5 х 88,5 х 26 мм
Ступінь захисту: IP30

Електричні характеристики

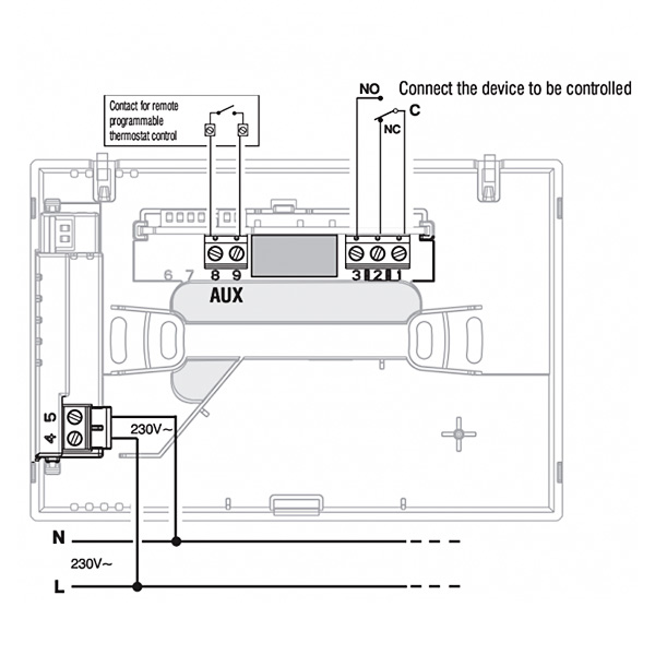
Вихід: безпотенційний перекидний контакт 5(3)А, 250В
230 В АС

Основні функції:

Температурних рівнів: 3 (t1 – комфорт, t2 – робота, t3 – економія)
4 предвстановлені програми (2 для літа і 2 для зими), які можна редагувати
Діапазон регулювання +5…+37,7 °C
Крок завдання температури: 0,1 °C
Режими роботи: літо/зима/вимк.*
Корекція температури**: ±3,0 °С
Захист від замерзання: регулюється від +5 °С до значення t3 (за замовчуванням +6 °С)
Мінімальний інтервал завдання температури — 30 хвилин
Тип регулювання: ON/OFF з налаштовуваним диференціалом 0,2…1,2 °С (0,3 °C за замовчуванням) або пропорційний з циклом 7–10–15–20 хвилин (10 хв за замовчуванням)
Відображення поточної і запрограмованої температури
Кнопки керування підсвічуються одним з трьох кольорів залежно від запрограмованої температури, символізуючи рівень споживання електроенергії підключеним нагрівачем або охолоджувачем. При цьому термостат не вимірює безпосередньо споживання енергії. Налаштування підсвічування різняться для режимій «зима» і «літо». Докладніше читайте в інструкції.
Точність відображення поточної температури: 0,1°C
Мова інтерфейсу: англійська
Індикація: стану реле, режиму роботи

* Режим "Зима" – термостат працює як нагрівач. Виконавчий прилад увімкнено, поки температура менша за встановлену.
Режим "Літо" -
термостат працює як охолоджувач. Виконавчий прилад увімкнено, поки температура вище встановленої.
Режим "Вимк." - при активному режимі "Зима" активується захист від замерзання, при активному режимі "Літо" термостат повністю відключається.
** для випадків, коли термостат встановлений у місці, де зовнішні фактори вносять похибку у вимірювання (наприклад, на зовнішній стіні, яка взимку холодніша за внутрішні).

Додаткові функції:

Режим «HOLIDAY» - призупинення поточної програми на час до 999 годин максимум
Опціональний режим ручного керування (постійний або тимчасовий)
Можливість зупинки нагрівача або кондиціонера для чищення (до 3 годин)
Можливість налаштування поточного часу і дня
Можливість обмеження діапазону регулювання температури
Можливість повного відключення регулювання (OFF)
Функція активації насоса на 2 хвилини щодня (для запобігання накипу)
Відображення (на вибір) поточної температури або часу
Відображення часу роботи нагрівача/охолоджувача (загального і за добу)
Скидання збережених даних і налаштувань (RESET)
Індикація проблем з нагрівачем/охолоджувачем
Сповіщення про помилки і збої у роботі термостата