Пристрої плавного пуску LOVATO Electric (Італія)

ADXL…LOVATO Electric — серія пристроїв плавного пуску з 2-фазним керуванням

Використовуються для плавного пуску та зупинки асинхронних двигунів в стандартному або важкому режимі.

Загальні характеристики:

  • Потужність від 7,5 до 160 кВт (струм від 18 А до 320 А)
  • Напруга живлення 100…240 В АС
  • Керування по двох фазах та вбудований байпас
  • Робоча напруга 208…600 В АС
  • Номінальний струм двигуна від 50% до 100% від струму ПП
  • Захист двигуна, живлення, пристрою плавного пуску
  • Налаштування з клавіатури, NFC, ПО Xpress
  • Входи дискретні - 3
  • Виходи релейні - С/O + 2NO
  • Оптичний порт
  Тип Струм, A Потужність
ADXL0018600 18 7,5 кВт
ADXL0030600 30 15 кВт
ADXL0045600 45 22 кВт
ADXL0060600 60 30 кВт
ADXL0075600 75 37 кВт
ADXL0085600 85 45 кВт
ADXL0115600 115 55 кВт
ADXL0135600 135 75 кВт
ADXL0162600 162 90 кВт
ADXL0195600 195 110 кВт
ADXL0250600 250 132 кВт
ADXL0320600 320 160 кВт

pdfКаталог
pdfІнструкція з експлуатації
pdfІнструкція з швидкого встановлення

Аксесуари

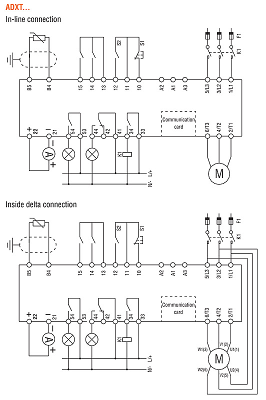
ADXT… — серія пристроїв плавного пуску з трифазним керуванням

Використовуються для плавного пуска та зупинки асинхронних двигунів у стандартному або важкому режимі роботи.

Загальні характеристики

  • Потужність від 18,5 до 315кВт 400В АС (струм від 34 до 554А)
  • Керування по 3 фазах та вбудований байпас
  • Робоча напруга 380…690В АС (-10…+10)%
  • Захист двигуна, живлення, пристрою плавного пуска
  • Налаштування з клавіатури або за допомогою ПО Xpress
  • Входи дискретні - 4
  • Виходи релейні - С/O + 2NO
  • Аналоговий вихід 0/4…20мА
  • Порт USB
ADXT схема
  Тип Потужність, кВт Струм, А
400 В, in-line 400 В, in side delta 4 -кратний (10 с), in-line
Напруга живлення 100…120 В АС та 220…240 В АС
ADXT0034 18,5 22 34
ADXT0060 30 45 60
ADXT0084 45 55 84
ADXT0104 55 75 104
ADXT0126 55 90 126
ADXT0139 75 110 139
ADXT0165 90 132 165
ADXT0187 90 160 187
ADXT0230 132 160 230
ADXT0311 160 250 311
ADXT0410 220 355 410
ADXT0506 280 400 506
ADXT0554 315 455 554
Напруга живлення 24 В АС / DC
ADXT003424 18,5 22 34
ADXT006024 30 45 60
ADXT010424 55 75 104
ADXT013924 75 110 139
ADXT023024 132 160 230

pdfКаталог
pdfІнструкція з експлуатації
pdfІнструкція з встановлення

Аксесуари

ADXN… — серія пристроїв плавного пуску LOVATO Electric

  • Потужність від 2,2 до 22 кВт (струм від 6 до 45 А)
  • Напруга живлення 100…240 В АС або 24 В АС/DC
  • Керування по двох фазах та вбудований байпас
  • Робоча напруга 208…600 В АС
  • Захист від перегріву пристрою плавного пуску
  • Налаштування потенціометрами та/або NFC
  • Виходи релейні - 2NO

ADXNB… - налаштування потенціометрами

Встановлення початкової напруги, часу розгону та зупинки

ADXNB
Живлення 100…240 В АС
Тип Струм, А Потужність, кВт
ADXNB006 6 2,2
ADXNB012 12 5,5
ADXNB018 18 7,5
ADXNB025 25 11
ADXNB030 30 15
ADXNB038 38 18,5
ADXNB045 45 22
Живлення 24 В AC/DC
Тип Струм, А Потужність, кВт
ADXNB00624 6 2,2
ADXNB01224 12 5,5
ADXNB01824 18 7,5
ADXNB02524 25 11
ADXNB03024 30 15
ADXNB03824 38 18,5
ADXNB04524 45 22

ADXNF… - налаштування через NFC

Встановлення початкової напруги, часу розгону та зупинки + пароль, функції вихідного реле, аварії, захист.

ADXNF
Живлення 100…240 В АС
Тип Струм, А Потужність, кВт
ADXNF006 6 2,2
ADXNF012 12 5,5
ADXNF018 18 7,5
ADXNF025 25 11
ADXNF030 30 15
ADXNF038 38 18,5
ADXNF045 45 22
Живлення 24 В AC/DC
Тип Струм, А Потужність, кВт
ADXNF00624 6 2,2
ADXNF01224 12 5,5
ADXNF01824 18 7,5
ADXNF02524 25 11
ADXNF03024 30 15
ADXNF03824 38 18,5
ADXNF04524 45 22

ADXNP… - налаштування потенціометрами та через NFC

Встановлення початкової напруги, часу розгону та зупинки + пароль, функції вихідного реле, аварії, захист, номінальний струм та обмеження струму двигуна

ADXNP
Живлення 100…240 В АС
Тип Струм, А Потужність, кВт
ADXNP006 6 2,2
ADXNP012 12 5,5
ADXNP018 18 7,5
ADXNP025 25 11
ADXNP030 30 15
ADXNP038 38 18,5
ADXNP045 45 22
Живлення 24 В AC/DC
Тип Струм, А Потужність, кВт
ADXNP00624 6 2,2
ADXNP01224 12 5,5
ADXNP01824 18 7,5
ADXNP02524 25 11
ADXNP03024 30 15
ADXNP03824 38 18,5
ADXNP04524 45 22

pdfКаталог – пристрої плавного пуску
pdfІнструкція з експлуатації (серія ADXN…)
pdfІнструкція з встановлення (серія ADXN…)

Аксесуари

pdfКаталог – модулі розширення і аксесуари

Серія ME… - малогабаритні електронні пристрої прямого пуску/реверсу двигуна

Застосування: ліфти, насоси, вентилятори, конвеєри, підйомно-транспортне обладнання та інше.
Малі габаритні розміри, В х Ш х Г: 115 x 22,5 x 140,3 мм
Струм: 2,4 А або 7 А (АС-53а)
Напруга живлення: 24 В DC
Керування: по двох фазах
Напруга: до 500 В АС
Температура: -25…+70 °С
Захист: тепловий, обрив фази, асиметрія струму або втрата навантаження
Входи дискретні - 4
Виходи дискретні - 2
Виходи релейні - С/O

Докладніше

Тип Струм Потужність Регулювання струму
Прямий пуск
ME024FD024 2,4A 0,75кВт 0,18-2,4А
ME070FD024 7,0A 3кВт 1,5-7,0А
Реверсивні
ME024RD024 2,4A 0,75кВт 0,18-2,4А
ME070RD024 7,0A 3кВт 1,5-7,0А
Прямий пуск з STO (Safe Torque Off) - сигнал на відключення від реле безпеки або кнопки аварійної зупинки
ME024FSD024 2,4A 0,75кВт 0,18-2,4А
ME070FSD024 7,0A 3кВт 1,5-7,0А
Реверсивні з STO - сигнал на відключення від реле безпеки або кнопки аварійної зупинки
ME024RSD024 2,4A 0,75кВт 0,18-2,4А
ME070RSD024 7,0A 3кВт 1,5-7,0А

pdfКаталог – електронні та електромеханічні пускові пристрої
pdfІнструкція з експлуатації
pdfІнструкція з встановлення

Вид: Список | Таблиця | Фотографії

Кол-во: 20 | 50 | 100 | Все

Сортування: Найменування | Ціна | Наявність