ESMD / SMVector

Серія ESMD

Перетворювач частоти ESMD має внутрішній ПІ-регулятор процесу, який можна використовувати для створення простого керування тиском.

Спочатку здійснюється конфігурація перетворювача частоти.

Перед введенням параметрів, наведених нижче, рекомендується виконати скидання до заводських налаштувань шляхом введення параметра C02=1.

Код Опис Значення Примітка
C10 Мінімальна частота обертання 10.0 Визначається технологічним процесом
C11 Максимальна частота обертання 50.0 Визначається технологічним процесом
C14 Закон керування 3 Квадратичне керування
C22 Обмеження максимального струму ПЧ 120%
C34 Конфігурація аналогового входу 4 4 .. 20 мА
C70 Пропорційна складова ПІ-регулятора 5.0 Адаптувати до технологічного процесу
C71 Інтегральна складова ПІ-регулятора 0.0
C81 Задання ПІ-регулятора 20.0 бар Задається в межах C86 та C87
C86 Значення технологічного параметра при мінімальному сигналі зворотного зв'язку 0.0 бар Визначається межами вимірювання датчика
C87 Значення технологічного параметра при максимальному сигналі зворотного зв'язку 100.0 бар
D38 Режим роботи ПІ-регулятора 1 Нормальний вплив (якщо зворотний зв'язок перевищує завдання, швидкість зменшується)

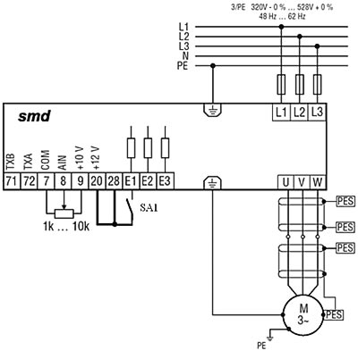
Схема підключення датчика та проводів керування до перетворювача частоти має такий вигляд.

У ряді випадків під час керування електромеханічними системами необхідно не лише плавно розганяти, але й зупиняти вал двигуна. Це особливо актуально у випадках інерційних навантажень, наприклад, вентиляторів великої потужності.

Знімати логічну одиницю з клеми 28, зокрема розмикати коло між клемами 20 і 28, для зупинки не рекомендується, оскільки при цьому відбувається апаратне відключення сигналів керування ключами інвертора, і при великій швидкості обертання вихідного вала можливий перехід у генераторний режим. У такому разі виникає короткочасне перенапруження в шині постійного струму, що може призвести до відмови перетворювача.

Щоб уникнути такої ситуації, для плавної зупинки необхідно використовувати один із дискретних входів, при цьому логічний сигнал на клемі 28 повинен бути постійно присутнім (встановити перемичку 20-28).

Схема підключення керівних сигналів у цьому випадку наступна (для прикладу взято вхід E1):

Окрім цього, необхідно змінити конфігурацію перетворювача:

Код Опис Значення Примітка
СЕ1 Функція дискретного входу E1 6 Обертання за годинниковою стрілкою
СЕ2 Функція дискретного входу E2 7 Обертання проти годинникової стрілки
С12 Час розгону 5.0 Адаптувати до допустимого часу розгону та гальмування (визначається механізмом)
С13 Час сповільнення 5.0

Під час замикання SA1 відбувається плавний розгін двигуна до швидкості, визначеної завданням з аналогового входу. Під час розмикання SA1 двигун сповільнюється за заданою кривою зупинки, визначеною часом С13. При цьому зміна завдання на вході AIN на уповільнення не впливає.

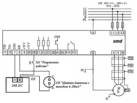
Усі перетворювачі частоти серії ESMD підтримують функцію «мотор-потенціометр» як частину стандартного функціоналу. Ця функція дозволяє швидко та просто створити інтерфейс оператора. Використовуючи два дискретні входи перетворювача частоти та дві кнопки, можна збільшувати й зменшувати вихідну частоту, керуючи швидкістю електродвигуна.

Схема зовнішніх з’єднань для керуючих виходів для реалізації цієї функції має вигляд:

Примітка: необхідно використовувати нормально-замкнені контакти перемикача «Збільшення / Зменшення» частоти.

Перемикач «Дозвіл» повинен бути замкнутим під час роботи перетворювача частоти.

Поведінка системи

  • Натискання кнопок «Збільшення / Зменшення» вихідної частоти не впливатиме на встановлену частоту, доки перемикач «Дозвіл» перебуває у розімкнутому стані.
  • Якщо під час роботи розімкнути контакт «Дозвіл», перетворювач повернеться в режим «OFF», вихід буде заблоковано, а двигун зупиниться.
  • Завдання частоти буде скинуто до 0 Гц, незалежно від значення, що було під час роботи. Тобто, якщо знову подати «Дозвіл», вихідна частота буде рівною 0 Гц.

Робота кнопок

  • При увімкненому «Дозволі», натискання кнопок «Збільшення / Зменшення» змінює вихідну частоту (швидкість електродвигуна).
  • Час зміни швидкості встановлюється за допомогою параметрів «Час розгону» і «Час сповільнення» (коди С12 і С13 відповідно).
  • Чим більше час розгону/сповільнення, тим точніше можна налаштувати потрібну вихідну частоту.

Перемикач «Вперед / Назад»

  • Використовується для реверсу електродвигуна. Якщо зміна напрямку обертання не потрібна, цифровий вхід Е1 можна використовувати для інших функцій, запрограмувавши параметр СЕ1.
  • При зміні положення перемикача «Вперед / Назад» під час роботи:
    • Двигун гальмує до нульової швидкості.
    • Потім розганяється до заданої частоти у зворотному напрямку.
    • Завдання частоти не скидається до 0 під час реверсу.

Мінімальна та максимальна частоти

  • Для функції МОП можна встановити мінімальну (С10) і максимальну (С11) частоти.
  • Утримання кнопки «Збільшення» збільшує вихідну частоту до значення параметра С11.
  • Що стосується мінімальної частоти (С10):
    • Перетворювач починає роботу з 0 Гц.
    • Натискання кнопки «Збільшення» збільшує частоту з 0 Гц до максимального значення.
    • Натискання кнопки «Зменшення» не буде виконуватись, якщо частота не перевищує мінімальний поріг С10. Якщо частота перевищує цей поріг, кнопка «Зменшення» знижує частоту до значення С10.

Скидання до нульової швидкості

Для повернення до нульової швидкості можна:

  • Розімкнути кнопку «Дозвіл», а потім знову замкнути,
    або
  • Одночасно натиснути кнопки «Збільшення» та «Зменшення» частоти.

Програмування параметрів

Для реалізації функції необхідно ввести такі значення кодів (параметрів):

Код Опис Значення
С01 Джерело завдання 1
СЕ1 Конфігурація цифрового входу 1 4 (опціонально)
СЕ2 Конфігурація цифрового входу 2 8
СЕ3 Конфігурація цифрового входу 3 9
С10 Мінімальна вихідна частота Встановити, якщо потрібно
С11 Максимальна вихідна частота Встановити, якщо потрібно
С12 Час розгону Встановити потрібне значення
С13 Час сповільнення Встановити потрібне значення

pdfSMD — встановлення пароля
pdfКонфігурація релейного виходу SMD
pdfШвидка заміна SMD, TML або TMD на SMV

Серія SMVector

Схема зовнішніх з’єднань для керуючих виходів для реалізації цієї функції має вигляд:

Окрім цього, необхідно ввести такі значення кодів (параметрів) під час програмування.

Код Опис Значення Примітка
P100 Джерело команди запуску 1 - клемна колодка Використовується схема запуску/зупинки, з'єднана з клемною колодкою
P101 Стандартне джерело задаючого сигналу 0 - клавіатура
P102 Мінімальна вихідна частота
Встановити, якщо потрібно
P103 Максимальна вихідна частота
Встановити, якщо потрібно
P104 Час розгону
Встановити, якщо потрібно
P105 Час гальмування
Встановити, якщо потрібно
P121 Функція входу ТВ-13А 4 - збільшення МОП
P122 Функція входу ТВ-13В 5 - зменшення МОП

Примітка: Необхідно використовувати нормально-замкнені контакти перемикача “Збільшення” / “Зменшення” частоти.

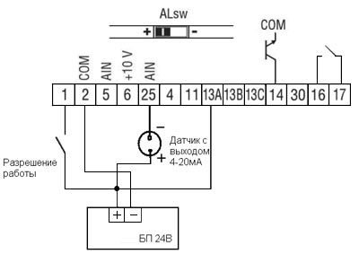
Перетворювач частоти ESV має вбудований регулятор процесу, який можна використовувати для створення простого управління тиском. Для цієї мети регулятор процесу потребує задання (уставки) та поточного значення.

Таблиця 1 - Управління тиском із вибором уставки через параметр.

Код Параметри Примітки
Призначення Величина    
P200 PID режим 1 Нормальна дія При збільшенні параметра швидкість зменшується
P201 Джерело сигналу датчика зворотного зв'язку 0 4 - 20 мА  
P121 Функція входу ТВ-13А 3 АВТО уставка: попередньо встановлене значення  
P204 Рівень зворотного зв'язку при мінімальному сигналі 0.0 Заводське значення Lenze Адаптувати до Вашого датчика
P205 Рівень зворотного зв'язку при максимальному сигналі 100.0 Заводське значення Lenze
P231 Попередньо встановлене завдання ПІД-регулятора   P204    P205  
P207 Пропорційний коефіцієнт підсилення ПІД-регулятора 5.0 0.0 {%} 100.0 Адаптувати до Вашого процесу
P208 Інтегральна постійна часу ПІД-регулятора 0.0 0.0 {сек} 20.0
P209 Диференціальна постійна часу ПІД-регулятора 0.0 0.0 {сек} 20.0

Схема підключення датчика та проводів управління до перетворювача частоти має вигляд.

Підключення виводів дистанційного пульта оператора ESVZXK до перетворювача частоти серії SMV здійснюється згідно з таблицею:

Клема модуля Опис Клема пульта
1 Живлення пульта ( - ) 2
2 Зв'язок (ТХА) ТХА
3 Немає з'єднання
4 Зв'язок (ТХB) TXB
5 Живлення пульта ( + ) 11

При цьому необхідно для повного управління з пульта ввести такі налаштування:

Параметр Опис
Р100 = 2 Джерело команди пуску - дистанційна клавіатура
Р101 = 0 Завдання за швидкістю або моментом - клавіатура
Р400 = 1 Підключена дистанційна клавіатура

ВАЖЛИВО ПАМ’ЯТАТИ!!!

При керуванні запуском з дистанційної клавіатури клеми 4 - 1 повинні бути замкнуті, у цьому випадку тільки дається дозвіл на запуск перетворювача частоти від зовнішньої клавіатури. При цьому для зупинки перетворювача можна як натиснути кнопку “СТОП”, так і розімкнути клеми 4 - 1.

Повторний запуск у цьому випадку буде можливий тільки після повторного замикання клем 4 - 1.

Можливі несправності при підключенні до ESV дистанційного пульта оператора ESVZXK

Несправність Рішення несправності
При підключенні пульта до приводу на дисплеї пульта не відображається напис "СТОП". При цьому світяться всі інші світлодіоди. Встановити значення **Р400=1**, яке відповідає підключеній дистанційній клавіатурі.
Не працює кнопка "ПУСК" з пульта Необхідно замкнути клеми **4-1**.

Режим керування моментом в ESV реалізується наступним чином.

Перед увімкненням електропривода в режим керування моментом необхідно провести автоматичне налаштування перетворювача частоти на електродвигун.

Для цього необхідно виконати такі дії:

  1. Встановити параметр P300 = 5 (увімкнено режим керування моментом).
  2. Встановити параметри P302 … P306 відповідно до даних на паспортній табличці двигуна.
  3. Встановити параметр P399 = 1.
  4. Переконайтесь, що електродвигун знаходиться у холодному стані (20° - 25° C), та виконайте команду пуску.
  5. Дисплей протягом приблизно 40 секунд буде відображати напис CAL (калібрування). Після завершення калібрування дисплей покаже StoP (калібрування завершено).

Далі необхідно встановити параметр Р101 = 1 (завдання по моменту визначається сигналом 0 … 10В аналогового входу 5).

Встановіть обмеження за швидкістю в параметрі Р103 відповідно до технологічного процесу (за замовчуванням Р103 = 50Гц). Обмеження швидкості електродвигуна необхідне для того, щоб при зменшенні моменту навантаження на валу швидкість обертання не перевищила допустиму.

Перетворювачі частоти серії ESV мають релейний нормально відкритий контакт і транзисторний NPN-вихід, які використовуються для індикації стану.

Релейний контакт розташований між клемами 16 і 17.

Релейний контакт має такі характеристики (для резистивного навантаження):

AC: 3А при 250В

DC: 2А при 24В або 0.22А при 240В.

Транзисторний NPN-вихід підключений до клеми 14.

Підключення проміжних реле до транзисторного виходу здійснюється за такими схемами:

  1. У разі використання реле з напругою живлення котушки 12В DC і струмом живлення котушки не більше 10мА.

  2. У разі використання реле з напругою живлення котушки 24В DC і струмом живлення котушки не більше 10мА необхідне підключення зовнішнього блоку живлення.

В інструкції з експлуатації на стор. 25 і 26 ви знайдете можливі варіанти конфігурації релейного та дискретного виходів.

pdfЗбірник формул та визначень приводної техніки