Головна » Корисна інформація » Посібники » Lenze » 8200 Vector / 8200 Motec » Lenze » 8200 Vector / 8200 Motec
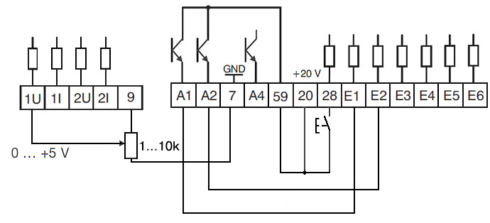
Під час експлуатації систем стабілізації тиску у системах водопостачання та провітрювання виникає необхідність перемикання перетворювача частоти у ручний режим роботи. При цьому завдання швидкості визначається потенціометром, підключеного до аналогового входу.
При автоматичному режимі роботи завдання швидкості визначається тим самим потенціометром, а датчик технологічного параметру (тиску) підключається до другого аналогового входу.
Перемикання із автоматичного в ручний режим здійснюється тумблером, що має 2 фіксовані положення.
Для реалізації ПІД-регулятора технологічного параметру та перемикання в ручний режим роботи необхідно провести наступне конфігурування перетворювача частоти відповідно до таблиці, наведеної нижче.
При цьому схема підключення слаботочних приладів керування до клем управління перетворювачем частоти має вигляд:

Конфігурування перетворювача частоти.
| Код | Опис параметру | Значення | Примітка |
|---|---|---|---|
| С0007 | Конфігурація дискретних виводів групи параметрів PAR1 | 1 | При спрацюванні E1 іде переключення на групу параметрів PAR2 |
| С0034 | Діапазон аналогового входу | 3 | Підключається сигнал 4-20мА |
| С0070 | Пропорційна складова ПІД-регулятора | Встановлюється користувачем | Параметр визначається вимогами до перехідного процесу безпосередньо на об’єкті |
| С0071 | Інтегральна складова ПІД-регулятора | Встановлюється користувачем | Параметр визначається вимогами до перехідного процесу безпосередньо на об’єкті |
| С0072 | Диференціальна складова ПІД-регулятора | Встановлюється користувачем | Параметр визначається вимогами до перехідного процесу безпосередньо на об’єкті |
| С0074 | Вплив регулятора процесу | 100% |
|
| С0231 | Обмеження на мінімальне значення частоти | 0% | У зворотному напрямку вентилятор чи насос не обертається |
| С0238 | Контроль частоти | 2 | Ввімкнено тільки ПІД-регулятор процесу |
| С0412/4 | Значення уставки ПІД-регулятора | Встановлюється користувачем | Визначає величину заданого технологічного параметру |
| С0412/5 | Дійсне значення технологічного параметру | Встановлюється користувачем | Назначається вхід для підключення датчика |
| С2007 | Конфігурація дискретних виводів групи параметрів PAR2 | 1 | При відключенні E1 іде переключення на групу параметрів PAR1 |
Опис перемикання між банками параметрів:
| Код | Значення | Опис | Примітка |
|---|---|---|---|
| С0007 | 255 | Вільна конфігурація дискретних входів групи параметрів PAR1 | Банк параметрів 1 |
| С0008 | 255 | Вільна конфігурація релейного виходу | Банк параметрів 1 |
| С0017 | 30 Гц | Поріг вихідної частоти для перемикання на PAR2 | Банк параметрів 1 |
| С0410/13 | 1 | Функція DCTRL1-PAR2/4 призначена на дискретний вхід Е1 | Банк параметрів 1 |
| С0415/1 | 0 | Вільна конфігурація релейного виходу 1 | Банк параметрів 1 |
| С0415/2 | 26 | Конфігурація дискретного виходу А1 | Увімкнений, коли електродвигун обертається |
| С0415/3 | 6 | Конфігурація дискретного виходу А2 | Увімкнений, коли швидкість більша за 30 Гц |
| С2007 | 255 | Вільна конфігурація дискретних входів групи параметрів PAR1 | Банк параметрів 2 |
| С2008 | 255 | Вільна конфігурація релейного виходу | Банк параметрів 2 |
| С2017 | 40 Гц | Поріг перемикання на PAR4 | Банк параметрів 2 |
| С2410/13 | 1 | Функція DCTRL1-PAR2/4 призначена на дискретний вхід Е1 | Банк параметрів 2 |
| С2410/14 | 2 | Функція DCTRL1-PAR3/4 призначена на дискретний вхід Е2 | Банк параметрів 2 |
| С2415/1 | 0 | Вільна конфігурація релейного виходу 1 | Банк параметрів 2 |
| С2415/2 | 6 | Конфігурація дискретного виходу А1 | Увімкнений, коли швидкість більша за 45 Гц |
| С2415/3 | 26 | Конфігурація дискретного виходу А2 | Увімкнений, коли двигун обертається у другому банку параметрів |
| С6007 | 255 | Вільна конфігурація дискретних входів групи параметрів PAR1 | Банк параметрів 4 |
| С6008 | 255 | Вільна конфігурація релейного виходу | Банк параметрів 4 |
| С6017 | 39 Гц | Поріг перемикання на PAR2 | Банк параметрів 4 |
| С6410/13 | 1 | Функція DCTRL1-PAR2/4 призначена на дискретний вхід Е1 | Банк параметрів 4 |
| С6410/14 | 2 | Функція DCTRL1-PAR3/4 призначена на дискретний вхід Е2 | Банк параметрів 4 |
| С6415/1 | 0 | Вільна конфігурація релейного виходу 1 | Банк параметрів 4 |
| С6415/2 | 6 | Конфігурація дискретного виходу А1 | Увімкнений, коли швидкість більша за 40 Гц |
| С6415/3 | 26 | Конфігурація дискретного виходу А2 | Увімкнений, коли електродвигун обертається у четвертому банку параметрів |
Схема підключення модуля Application:
Принцип роботи схеми:

При збільшенні швидкості за допомогою аналогового потенціометра на частоті 30 Гц відбувається перемикання на групу параметрів PAR2 (спрацьовує А1). У описі параметри, які належать до другої групи, позначаються як С2ххх.
При збільшенні частоти вище 40 Гц відбувається включення PAR4 (А1 залишається активним, спрацьовує А2). У описі параметри, які належать до четвертої групи, позначаються як С6ххх. При зниженні швидкості потенціометра нижче 39 Гц привід перемикається у другу групу параметрів.
Параметри С0017, С2017, С6017 є такими, що налаштовуються користувачем, однак обов’язковою умовою є те, що частота перемикання у PAR4 з PAR2 повинна бути нижчою, ніж частота перемикання з PAR2 у PAR4.
Перехід до групи параметрів PAR1 здійснюється лише при вимкненні перетворювача частоти (знятті логічної одиниці з клеми 28).
Параметри налаштування перетворювача частоти 8200 Vector для роботи з дванадцятьма фіксованими швидкостями за допомогою модуля входів/виходів Standard.
У базовій конфігурації параметрів, встановивши С0007 = 1, доступні три фіксовані швидкості: JOG1, JOG2 та JOG3. Перемикання між ними виконується за допомогою двох дискретних входів, наприклад, E1 та E2.
| E2 | E1 | JOG |
| 0 | 0 | керування аналоговим сигналом |
| 0 | 1 | JOG1 |
| 1 | 0 | JOG2 |
| 1 | 1 | JOG3 |
Значення JOG1 .. JOG3 задаються користувачем у параметрах С0037 .. С0039.
Збільшення кількості фіксованих швидкостей можливе шляхом перемикання між банками параметрів PAR1 .. PAR4. При цьому використовується по три фіксовані швидкості для кожного банку параметрів.
Якщо достатньо до 6-ти фіксованих швидкостей, можна використовувати С0007 = 1 і С2007 = 1. Перемикання між банками параметрів виконується за допомогою дискретного входу E3 (низький рівень на E3 відповідає PAR1, високий рівень на E3 відповідає PAR2).
Для другого банку параметрів фіксовані швидкості встановлюються в параметрах С2037 .. С2039.
Якщо потрібно від 7 до 12 фіксованих швидкостей, здійснюється вільне конфігурування цифрових сигнальних входів, тобто кожен дискретний вхід програмується окремо. Для цього необхідно налаштувати параметр С410.
Опис перемикання між банками параметрів:
| Код | Значення | Опис | Примітка |
|---|---|---|---|
| С0410/1 | 1 | NSET1*JOG1/3 | Активація JOG1 сигналом Е1 в PAR1 |
| С0410/2 | 2 | NSET1*JOG2/3 | Активація JOG2 сигналом Е2 в PAR1 |
| С0410/3 | 255 | DCTRL1*CW/CCW | Вимкнення реверсу через Е3 |
| С0410/15 | 255 | DCTRL1*DCB | Вимкнення динамічного гальмування через Е4 |
| С0410/13 | 3 | DCTRL1*PAR2/4 | Перемикання на PAR2/PAR4 через Е3 |
| 0410/14 | 4 | DCTRL1*PAR3/4 | Перемикання на PAR3/PAR4 через Е4 |
| С0037 | 5 Гц | Фіксована швидкість для комбінації Е4..Е1 0001 | Визначається користувачем |
| С0038 | 10 Гц | Фіксована швидкість для комбінації Е4..Е1 0010 | Визначається користувачем |
| С0039 | 15 Гц | Фіксована швидкість для комбінації Е4..Е1 0011 | Визначається користувачем |
| С2410/1 | 1 | NSET1*JOG1/3 | Активація JOG1 сигналом Е1 в PAR2 |
| С2410/2 | 2 | NSET1*JOG2/3 | Активація JOG2 сигналом Е2 в PAR2 |
| С2410/3 | 255 | DCTRL1*CW/CCW | Вимкнення реверсу через Е3 |
| С2410/15 | 255 | DCTRL1*DCB | Вимкнення динамічного гальмування через Е4 |
| С2410/13 | 3 | DCTRL1*PAR2/4 | Перемикання на PAR2/PAR4 через Е3 |
| 2410/14 | 4 | DCTRL1*PAR3/4 | Перемикання на PAR3/PAR4 через Е4 |
| С2037 | 20 Гц | Фіксована швидкість для комбінації Е4..Е1 0101 | Визначається користувачем |
| С2038 | 25 Гц | Фіксована швидкість для комбінації Е4..Е1 0110 | Визначається користувачем |
| С2039 | 30 Гц | Фіксована швидкість для комбінації Е4..Е1 0111 | Визначається користувачем |
| С4410/1 | 1 | NSET1*JOG1/3 | Активація JOG1 сигналом Е1 в PAR3 |
| С4410/2 | 2 | NSET1*JOG2/3 | Активація JOG2 сигналом Е2 в PAR3 |
| С4410/3 | 255 | DCTRL1*CW/CCW | Вимкнення реверсу через Е3 |
| С4410/15 | 255 | DCTRL1*DCB | Вимкнення динамічного гальмування через Е4 |
| С4410/13 | 3 | DCTRL1*PAR2/4 | Перемикання на PAR2/PAR4 через Е3 |
| С4410/14 | 4 | DCTRL1*PAR3/4 | Перемикання на PAR3/PAR4 через Е4 |
| С4037 | 27 Гц | Фіксована швидкість для комбінації Е4..Е1 1001 | Визначається користувачем |
| С4038 | 42 Гц | Фіксована швидкість для комбінації Е4..Е1 1010 | Визначається користувачем |
| С4039 | 37 Гц | Фіксована швидкість для комбінації Е4..Е1 1011 | Визначається користувачем |
| С6410/1 | 1 | NSET1*JOG1/3 | Активація JOG1 сигналом Е1 в PAR4 |
| С6410/2 | 2 | NSET1*JOG2/3 | Активація JOG2 сигналом Е2 в PAR4 |
| С6410/3 | 255 | DCTRL1*CW/CCW | Вимкнення реверсу через Е3 |
| С6410/15 | 255 | DCTRL1*DCB | Вимкнення динамічного гальмування через Е4 |
| С6410/13 | 3 | DCTRL1*PAR2/4 | Перемикання на PAR2/PAR4 через Е3 |
| С6410/14 | 4 | DCTRL1*PAR3/4 | Перемикання на PAR3/PAR4 через Е4 |
| С6037 | 49 Гц | Фіксована швидкість для комбінації Е4..Е1 1101 | Визначається користувачем |
| С6038 | 52 Гц | Фіксована швидкість для комбінації Е4..Е1 1110 | Визначається користувачем |
| С6039 | 57 Гц | Фіксована швидкість для комбінації Е4..Е1 1111 | Визначається користувачем |
Параметри С2ххх відповідають другій групі параметрів, тобто PAR2. На дисплеї цифра 2 не відображається, але внизу праворуч буде горіти напис PS2. Аналогічно параметри С4ххх і С6ххх відповідають групам параметрів PAR3 і PAR4.
Примітка!

Параметри налаштування перетворювача частоти 8200 Vector для роботи з двадцятьма вісьмома фіксованими швидкостями з модулем Application.
У базовій конфігурації параметрів, встановивши С0007 = 1, доступні три фіксовані швидкості JOG1, JOG2 та JOG3. Перемикання між ними здійснюється за допомогою двох дискретних входів, наприклад E1 та E2.
| E2 | E1 | JOG |
| 0 | 0 | керування аналоговим сигналом |
| 0 | 1 | JOG1 |
| 1 | 0 | JOG2 |
| 1 | 1 | JOG3 |
Значення JOG1..JOG3 вибираються користувачем у параметрах С0037 .. С0039, або дублюються в параметрах С0440/1 .. С0440/7.
Якщо необхідно отримати від 4 до 7 фіксованих швидкостей, то здійснюється вільне конфігурування цифрових сигнальних входів, тобто кожен дискретний вхід програмується окремо. Для цього необхідно провести налаштування параметра С410.
Номер фіксованої швидкості JOG визначається двійковим кодом:
|
E3 |
E2 | E1 | JOG |
|
0 |
0 |
1 |
JOG1 |
|
0 |
1 |
0 |
JOG2 |
|
0 |
1 |
1 |
JOG3 |
|
1 |
0 |
0 |
JOG4 |
|
1 |
0 |
1 |
JOG5 |
|
1 |
1 |
0 |
JOG6 |
|
1 |
1 |
1 |
JOG7 |
Опис перемикання між банками параметрів:
| Код | Значення | Опис | Примітка |
|---|---|---|---|
| C0410/1 | 1 | NSET1*JOG1/3/5/7 | Активація JOG1/3/5/7 сигналом Е1 |
| C0410/2 | 2 | NSET1*JOG2/3/6/7 | Активація JOG2/3/6/7 сигналом Е2 |
| С0410/33 | 3 | NSET1*JOG4/5/6/7 | Активація JOG4/5/6/7 сигналом Е3 |
| C0410/3 | 255 | DCTRL1*CW/CCW | Вимкнення реверсу по Е3 |
| С0440/1 | 20 Гц | Фіксована швидкість для комбінації 001 | Встановлюється користувачем |
| С0440/2 | 30 Гц | Фіксована швидкість для комбінації 010 | Встановлюється користувачем |
| С0440/3 | 40 Гц | Фіксована швидкість для комбінації 011 | Встановлюється користувачем |
| С0440/4 | 15 Гц | Фіксована швидкість для комбінації 100 | Встановлюється користувачем |
| С0440/5 | 25 Гц | Фіксована швидкість для комбінації 101 | Встановлюється користувачем |
| С0440/6 | 35 Гц | Фіксована швидкість для комбінації 110 | Встановлюється користувачем |
| С0440/7 | 45 Гц | Фіксована швидкість для комбінації 111 | Встановлюється користувачем |
Подальше збільшення кількості фіксованих швидкостей можливе за рахунок перемикання між банками параметрів PAR1 .. PAR4. При цьому задіюються по сім фіксованих швидкостей для кожного банку параметрів.
Вибір швидкості визначається дискретними входами E5, E4, E3, E2, E1. При цьому входи E5 та E4 використовуються для перемикання банків параметрів:
| E5 | E4 |
Банк параметрів |
| 0 | 0 |
PAR1 |
| 0 | 1 | PAR2 |
| 1 | 0 | PAR3 |
| 1 | 1 | PAR4 |
Опис перемикання між банками параметрів:
| Код | Значення | Опис | Примітка |
|---|---|---|---|
| C0410/1 | 1 | NSET1*JOG1/3/5/7 | Активізація JOG1 сигналом Е1 у PAR1 |
| C0410/2 | 2 | NSET1*JOG2/3/6/7 | Активізація JOG2 сигналом Е2 у PAR1 |
| С0410/33 | 3 | NSET1*JOG4/5/6/7 | Активізація JOG4 сигналом Е3 у PAR1 |
| C0410/3 | 255 | DCTRL1*CW/CCW | Відключення реверсу сигналом Е3 |
| С0410/15 | 255 | DCTRL1*DCB | Відключення динамічного гальмування сигналом Е4 |
| С0410/13 | 4 | DCTRL1*PAR2/4 | Перемикання в PAR2/PAR4 сигналом Е4 |
| С0410/14 | 5 | DCTRL1*PAR3/4 | Перемикання в PAR3/PAR4 сигналом Е5 |
| С0440/1 | 5 Гц | Фіксована швидкість для комбінації 00001 | Задається користувачем |
| С0440/2 | 10 Гц | Фіксована швидкість для комбінації 00010 | Задається користувачем |
| С0440/3 | 15 Гц | Фіксована швидкість для комбінації 00011 | Задається користувачем |
| С0440/4 | 16 Гц | Фіксована швидкість для комбінації 00100 | Задається користувачем |
| С0440/5 | 17 Гц | Фіксована швидкість для комбінації 00101 | Задається користувачем |
| С0440/6 | 18 Гц | Фіксована швидкість для комбінації 00110 | Задається користувачем |
| С0440/7 | 19 Гц | Фіксована швидкість для комбінації 00111 | Задається користувачем |
| C2410/1 | 1 | NSET1*JOG1/3/5/7 | Активізація JOG1 сигналом Е1 у PAR2 |
| С2410/2 | 2 | NSET1*JOG2/3/6/7 | Активізація JOG2 сигналом Е2 у PAR2 |
| С2410/33 | 3 | NSET1*JOG4/5/6/7 | Активізація JOG4 сигналом Е3 у PAR2 |
| С2410/3 | 255 | DCTRL1*CW/CCW | Відключення реверсу сигналом Е3 |
| С2410/15 | 255 | DCTRL1*DCB | Відключення динамічного гальмування сигналом Е4 |
| С2410/13 | 4 | DCTRL1*PAR2/4 | Перемикання в PAR2/PAR4 сигналом Е4 |
| С2410/14 | 5 | DCTRL1*PAR3/4 | Перемикання в PAR3/PAR4 сигналом Е5 |
| С2440/1 | 20 Гц | Фіксована швидкість для комбінації 01001 | Задається користувачем |
| С2440/2 | 22 Гц | Фіксована швидкість для комбінації 01010 | Задається користувачем |
| С2440/3 | 23 Гц | Фіксована швидкість для комбінації 01011 | Задається користувачем |
| С2440/4 | 24 Гц | Фіксована швидкість для комбінації 01100 | Задається користувачем |
| С2440/5 | 27 Гц | Фіксована швидкість для комбінації 01101 | Задається користувачем |
| С2440/6 | 28 Гц | Фіксована швидкість для комбінації 01110 | Задається користувачем |
| С2440/7 | 29 Гц | Фіксована швидкість для комбінації 01111 | Задається користувачем |
| С4410/1 | 1 | NSET1*JOG1/3/5/7 | Активізація JOG1 сигналом Е1 у PAR3 |
| С4410/2 | 2 | NSET1*JOG2/3/6/7 | Активізація JOG2 сигналом Е2 у PAR3 |
| С4410/33 | 3 | NSET1*JOG4/5/6/7 | Активізація JOG4 сигналом Е3 у PAR3 |
| С4410/3 | 255 | DCTRL1*CW/CCW | Відключення реверсу сигналом Е3 |
| С4410/15 | 255 | DCTRL1*DCB | Відключення динамічного гальмування сигналом Е4 |
| С4410/13 | 4 | DCTRL1*PAR2/4 | Перемикання в PAR2/PAR4 сигналом Е4 |
| С4410/14 | 5 | DCTRL1*PAR3/4 | Перемикання в PAR3/PAR4 сигналом Е5 |
| С4440/1 | 30 Гц | Фіксована швидкість для комбінації 10001 | Задається користувачем |
| С4440/2 | 32 Гц | Фіксована швидкість для комбінації 10010 | Задається користувачем |
| С4440/3 | 33 Гц | Фіксована швидкість для комбінації 10011 | Задається користувачем |
| С4440/4 | 34 Гц | Фіксована швидкість для комбінації 10100 | Задається користувачем |
| С4440/5 | 37 Гц | Фіксована швидкість для комбінації 10101 | Задається користувачем |
| С4440/6 | 38 Гц | Фіксована швидкість для комбінації 10110 | Задається користувачем |
| С4440/7 | 39 Гц | Фіксована швидкість для комбінації 10111 | Задається користувачем |
| С6410/1 | 1 | NSET1*JOG1/3/5/7 | Активізація JOG1 сигналом Е1 у PAR4 |
| С6410/2 | 2 | NSET1*JOG2/3/6/7 | Активізація JOG2 сигналом Е2 у PAR4 |
| С6410/33 | 3 | NSET1*JOG4/5/6/7 | Активізація JOG4 сигналом Е3 у PAR4 |
| С6410/3 | 255 | DCTRL1*CW/CCW | Відключення реверсу сигналом Е3 |
| С6410/15 | 255 | DCTRL1*DCB | Відключення динамічного гальмування сигналом Е4 |
| С6410/13 | 4 | DCTRL1*PAR2/4 | Перемикання в PAR2/PAR4 сигналом Е4 |
| С6410/14 | 5 | DCTRL1*PAR3/4 | Перемикання в PAR3/PAR4 сигналом Е5 |
| С6440/1 | 41 Гц | Фіксована швидкість для комбінації 11001 | Задається користувачем |
| С6440/2 | 42 Гц | Фіксована швидкість для комбінації 11010 | Задається користувачем |
| С6440/3 | 43 Гц | Фіксована швидкість для комбінації 11011 | Задається користувачем |
| С6440/4 | 44 Гц | Фіксована швидкість для комбінації 11100 | Задається користувачем |
| C6440/5 | 47 Гц | Фіксована швидкість для комбінації 11101 | Задається користувачем |
| C6440/6 | 48 Гц | Фіксована швидкість для комбінації 11110 | Задається користувачем |
| C6440/7 | 49 Гц | Фіксована швидкість для комбінації 11111 | Задається користувачем |
Параметри С2ххх відповідають другій групі параметрів, тобто PAR2. На дисплеї цифра 2 не відображається, просто внизу праворуч буде горіти напис PS2. Аналогічно параметри С4ххх та С6ххх відповідають групам параметрів PAR3 та PAR4.
Примітка! У скалярному режимі перемикання швидкостей без обмежень. У векторному режимі перемикання між банками параметрів повинно здійснюватися шляхом зняття/подачі логічного сигналу на клему 28.
Схематичне відображення встановлення фіксованих швидкостей за різних комбінацій сигналів на дискретних входах дивіться у варіанті 12 фіксованих швидкостей з модулем входів/виходів Standard.
pdfЗаміна Application I/O – перевстановлення параметрів
pdfКерування тиском
pdfПідтримка тиску за допомогою регульованого основного насоса та нерегульованого додаткового
pdfСтарт–стоп імпульсним сигналом
pdfПоловина вихідної частоти при 100% завдання потенціометра
pdfКерування імпульсними сигналами
pdfВекторне керування для 8200 Vector/Motec, кроки налаштування