» » » Нові шинні з'єднання для контакторів від LOVATO Electric

Нові шинні з'єднання для контакторів від LOVATO Electric

RSS

13.09.2021

LOVATO Electric додала до свого асортименту нові комплекти шинних з'єднань для контакторів BF40–BF150, які тепер доступні для замовлення.

LOVATO Electric пропонує 21 набір різних типів для:

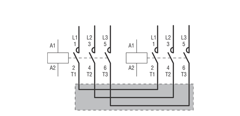
реверсивних стартерів, доступні для контакторів до 230А AC-3 400В

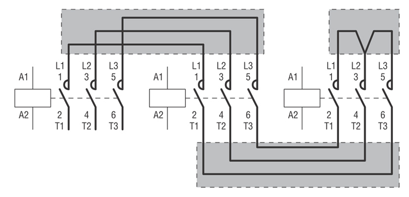
перекидних контакторів, для контакторів до 350А категорії AC-1; доступні як у 3-, так і в 4-полюсних версіях

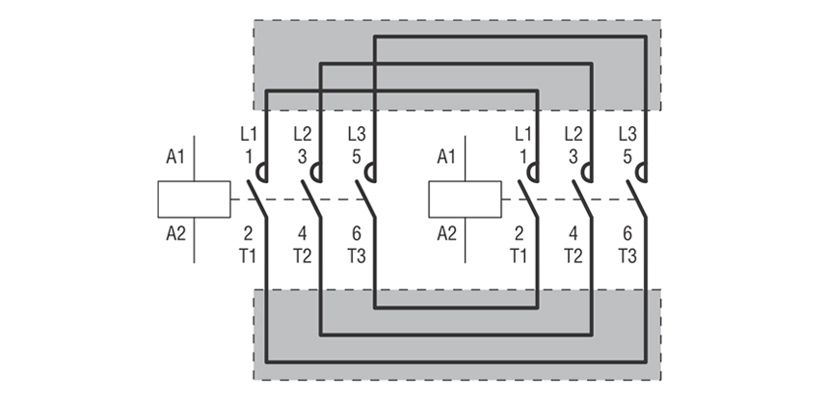
стартерів «зірка-трикутник» для двигунів до 225A AC-3 400В

У світовій практиці, яка вимагає швидких рішень, впроваджуються більш надійні в експлуатації та більш компактні шинні з'єднання. Монтаж звичайним кабелем потребує час на його розрізання і з'єднання з кожним полюсом, часто в незручних положеннях і з дуже високою ймовірністю помилки. Тепер, з запуском шинних з'єднань LOVATO Electric, прокладка кабелів відбувається швидко і легко, а ймовірність помилки фактично дорівнює нулю. Це стало можливим завдяки конструкції самого з'єднання. Точку введення роз'єму легко візуально ідентифікувати, а клеми розташовують близько до контакторів, що робить процедуру надійною та, перш за все, швидкою. Нові шинні з'єднання звільняють місце на панелі, а також виглядають естетично. З усіма частинами під напругою, повністю ізольованими і, отже, нешкідливими, нові шинні з'єднання безпечні та встановлені без блокування доступу до клем котушки. Це дає можливість змінювати допоміжні з'єднання навіть за наявності підключення до електромережі.

Основні переваги шинних з'єднань LOVATO Electric перед звичайною кабельної розводкою:

  • простота монтажу
  • виключає неправильне з’єднання
  • економія часу на електромонтаж
  • компактність
  • сучасний вигляд

Для отримання консультації та придбання продукції звертайтесь в офіси СВ АЛЬТЕРА.

Брошура (.pdf, англ.)