Головна » Рішення » Галузеві рішення » Енергетика » Компенсація реактивної потужності. Схемні рішення на базі контролера DCRK/DCRJ
Загальні положення
Залежно від виду використовуваного устаткування електричне навантаження підрозділяється на активне, індуктивне і ємнісне. Найчастіше споживач має справу із змішаними активно-індуктивними навантаженнями. Відповідно, з електричної мережі відбувається споживання як активної, так і реактивної енергії.
Активна енергія перетвориться в корисну – механічну, теплову та ін. енергії. Реактивна енергія не пов'язана з виконанням корисної роботи, а витрачається на створення електромагнітних полів в електродвигунах, трансформаторах, індукційних печах, зварювальних трансформаторах, дроселях і освітлювальних приладах.
У загальному випадку вираз для визначення реактивної потужності має вигляд Q = U × I × sinφ. Вона позитивна при струмі, який відстає (індуктивне навантаження — 0 < φ < 180 ) і негативна при струмі, який випереджає (ємнісне навантаження — 180 < φ < 360). Показником споживання реактивної енергії (потужності) є коефіцієнт потужності cosφ, який показує співвідношення активної потужності Р і повної потужності S, споживаній електроприймачами з мережі: P = S × cosφ. Одиницею вимірювання реактивної потужності є вольт-ампер реактивний (ВАр). Активна, реактивна і повна потужності пов'язані наступним співвідношенням.
![]()
Значення коефіцієнта потужності незкомпенсованого устаткування наведені в табл.1. В оптимальному режимі показник повинен прямувати до одиниці і відповідати нормативним вимогам.
| Тип навантаження | Приблизний коефіцієнт потужності |
| Асинхронний електродвигун до 100 кВт | 0,6-0,8 |
| Асинхронний електродвигун 100-250 кВт | 0,8-0,9 |
| Індукційна піч | 0,2-0,6 |
| Зварювальний апарат змінного струму | 0,5-0,6 |
| Електродугова піч | 0,6-0,8 |
| Лампа денного світла | 0,5-0,6 |
Реактивна потужність, яка споживається промисловим підприємством у кожній даній точці мережі, визначається величиною намагнічувальної потужності, яка необхідна для окремих елементів електроустановки, які розташовані за даною точкою в напрямку передачі енергії. Реактивні навантаження підприємств не залишаються незмінними не тільки протягом більш-менш тривалих проміжків часу доби місяця року, але й протягом однієї виробничої зміни. Ці навантаження безупинно змінюються залежно від виробничої програми окремих струмоприймачів, від ступеня їхнього завантаження і відносної тривалості ввімкнення, від коливань напруги в мережі, від якості обслуговування устаткування експлуатаційним і ремонтним персоналом та від інших факторів.
Компенсація реактивної потужності є найдешевшим і ефективним засобом підвищення техніко-економічних показників електропостачання, який зменшує всі види втрат електроенергії.
Основи компенсації реактивної потужності.
Реактивний струм додатково навантажує лінії електропередачі, що призводить до збільшення перерізів проводів і кабелів і відповідно до збільшення капітальних витрат на зовнішні і внутрішньо майданчикові мережі. Реактивна потужність разом з активною потужністю враховується постачальником електроенергії, а отже, підлягає оплаті по тарифах, що діють, тому складає значну частину рахунку за електроенергію.
Найбільш дієвим і ефективним способом зниження споживаної з мережі реактивної потужності є застосування установок компенсації реактивній потужності (конденсаторних батарей, синхронних двигунів і синхронних компенсаторів). За рахунок приєднання до мережі компенсуючого пристрою КП зменшуються втрати потужності і напруги. На практиці коефіцієнт потужності після компенсації знаходиться в межах від 0,93 до 0,99.
Відносну ефективність зменшення реактивного навантаження в тому чи іншому пункті електричної мережі можна оцінити за допомогою так називаного економічного еквівалента реактивної потужності. Економічний еквівалент чисельно дорівнює зменшенню втрат активної потужності в мережах при зменшенні реактивного навантаження на 1 кВАр.
Види та способи компенсації.
Основним джерелом реактивної потужності (РП) є синхронні генератори електростанцій. Передавання РП з енергосистеми до споживачів не є раціональним, оскільки виникають додаткові втрати активної потужності у всіх елементах систем електропостачання, обумовлені завантаженням РП, та додаткові втрати в живлячих мережах. Щоб знизити ці втрати, необхідно біля споживачів встановлювати додаткові джерела РП, основними серед яких є конденсатори.
Використання конденсаторних установок.
Одинична компенсація – краща там, де: потрібна компенсація потужних (понад 20 кВт) споживачів; потужність, яка споживається постійна протягом тривалого часу.
Групова компенсація – застосовується для випадку компенсації декількох індуктивних навантажень, які розташовані поруч і вмикаються одночасно, підімкнених до одного розподільного пристрою і які компенсуються однією конденсаторною батареєю.
Централізована компенсація. Для підприємств, які потребують змінної реактивної потужності постійно ввімкнені батареї конденсаторів не прийнятні, оскільки при цьому може виникнути режим недокомпенсації або перекомпенсації. У цьому випадку конденсаторна установка оснащується спеціалізованим контролером і комутаційно-захисною апаратурою. При відхиленні значення сosφ від заданого значення контролер підмикає або відмикає ступені конденсаторів. Перевага централізованої компенсації полягає в наступному: ввімкнена потужність конденсаторів відповідає спожитій в конкретний момент часу реактивній потужності без перекомпенсації або недокомпенсації.
При виборі конденсаторної установки необхідна потужність конденсаторів визначається як
Qc = P × (tgφ1 – tgφ2), де
tgφ1 – коефіцієнт потужності споживача до встановлення компенсувальних пристроїв;
tgφ2 – коефіцієнт потужності після встановлення компенсувальних пристроїв (бажаний або коефіцієнт, який задає енергосистема).
Режим роботи конденсаторних установок повинен виключати можливість роботи підприємств із випереджальним коефіцієнтом потужності. У зв'язку із цим найдоцільнішим є застосування автоматичного регулювання потужності конденсаторних установок за напругою, за часом доби і за іншими параметрами.
Для розрахунку параметрів компенсаторної установки в мережі знімають характерні добові графіки навантаження і текуче значення cosφ, за якими визначають середнє значення коефіцієнта потужності за період. Знаючи фактичний і потрібний (за умовами компенсації) коефіцієнт потужності, а також споживання активної електроенергії, можна розрахувати потрібну потужність конденсаторної установки.

Мікропроцесорний контролер DCRK
Основні параметри:
Технічні характеристики:
Мікропроцесорний контролер DCRJ
Основні параметри:
Технічні характеристики:
Опис
Регулятор коефіцієнта потужності DCRK / DCRJ — цифровий пристрій, який виконує функції контролю і регулювання реактивної потужності системи і здійснює зчитування показів коефіцієнта потужності з високою точністю, на яку не впливають зміни властивостей електронних компонентів.
Алгоритм контролю забезпечує нормальну роботу приладу навіть в системі, яка характеризується високим коефіцієнтом гармонік. Коефіцієнт потужності системи регулюється групою перемикаючих конденсаторів виходячи з розрахованої реактивної потужності системи своєчасно і точно. Результатом є суттєве зменшення кількості перемикань і більш ефективне використання конденсаторних батарей.
Відображення значень параметрів
В нормальному режимі роботи дисплей відображає коефіцієнт потужності системи, причому світлодіоди IND і CAP відображають характер навантаження (індуктивне і ємнісне відповідно). Мигаюча десяткова крапка означає відємне значення (віддача реактивної енергії в мережу).
Для відображення і перемикання значений натиснути кнопку MODE.
При висвічуванні світлодіодів V, А, Δkvar і т. д. на дисплеї відображаються відповідне значення.
При висвічуванні світлодіоду Δkvar, на дисплеї відображається значення реактивної потужності, необхідне для регулювання коефіцієнта потужності системи до встановленого значення.
Для кожного параметра передбачено додаткові функції, які можна переглядати натискуванням кнопки ↓, при цьому світлодіод мигає.
Для деяких параметрів передбачено друга додаткова функція, яка відображається на дисплеї клавішею ↑.
При висвічуванні світлодіоду SET COSφ відбувається встановлення потрібного коефіцієнта потужності з допомогою клавіш ↑ и ↓. Діапазон від 0.8 індуктивного до 0.8 ємнісного.
| Параметр | Опис | «↓» | «↑» |
| V | Напруга | Максимальне значення напруги | |
| A | Струм | Максимальне значення струму | |
| Δkvar | Кількість квар необхідне для досягнення бажаного cosφ | Σkvar – сумарна потужність системи | Кількість ступенів необхідних для досягнення бажаного cosφ |
| Week P.F. | Середнє значення коефіцієнта потужності за тиждень (1) | Значення cosφ на даний момент | |
| -І І- CURR % | Перевантаження конденсаторів в % (2) | Максимальне значення перевантаження | Лічильник станів перевантаження |
| TEMP | Електрична панель температури (3) | Максимальне значення температури | Одиниці вимірювання °С або °F |
| SET COSφ | Потрібний коефіцієнт потужності | Зменшення значення коефіцієнта потужності | Збільшення значення коефіцієнта потужності |
(1) – значення визначається активною і реактивною потужністю, виміряною за тиждень і тільки в додатніх квадрантах.
(2) – перевантаження за струмом, через гармонічні складові напруги на клемах конденсатора.
(3) – Увага! Вимірювання температури дійсне тільки через 20-30 хвилин після ввімкнення регулятора.
| Тип | Потужність, кВАP при напрузі | |||
| 220-240В | 380-400В | 415-440В | 575-690 | ||
| BFK09 10 A.... | 4,5 | 7,5 | 9 | 10 | |
| BFK12 10 A.... | 7 | 12,5 | 14 | 16 | |
| BFK18 10 A.... | 9 | 15 | 17 | 20 | |
| BFK26 10 A.... | 11 | 20 | 22 | 22 | |
| BFK32 10 A.... | 14 | 25 | 27,5 | 30 | |
| BFK38 10 A.... | 17 | 30 | 33 | 36 | |
| 11 BF50K 10 A.... | 22 | 38 | 41 | 46 | |
| 11 BF65K 10 A.... | 26 | 45 | 50 | 56 | |
| 11 BF70K 10 A.... | 30 | 50 | 56 | 65 | |
| 11 BF80K 10 A.... | 34 | 60 | 65 | 70 | |
Стандартна напруга катушки:
Приклад. BFK09 10 230 — з катушкою на 230 В АС
Конденсатори для компенсації реактивної енергії обладнанні захистом від розриву корпусу. Виготовлені за технологією МКР-металоплівкові конденсатори.
Основні характеристики:
|
|
|
|
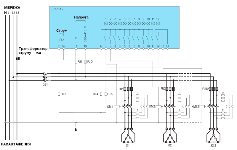
Схема підключення регулятора DCRK...
Схема підключення регулятора DCRJ...
Визначити ємнісну реактивну потужність, необхідну для досягнення заданого cosφ можна за допомогою формули
Q = P × F, де
Q – ємнісна реактивна потужність;
P – активна потужність навантаження;
F – коефіцієнт з таблиці 2.
Приклад настройки регулятора DCRK7
Параметри регулятора для шести конденсаторних банок 5, 10, 20, 20, 20, 20 кВар на напругу 400В і використанням останньої ступені як реле несправності будуть запрограмовні так:
Р.02 = 5.00 (найменша ступінь)
Р.03 = 400 (номінальна напруга конденсаторів)
Р.06-1 = 001 (5кВар = 1 х Р.02)
Р.06-2 = 002 (10кВар = 2 х Р.02)
Р.06-3 = 004 (20кВар = 4 х Р.02)
Р.06-4 = 004 (20кВар = 4 х Р.02)
Р.06-5 = 004 (20кВар = 4 х Р.02)
Р.06-6 = 004 (20кВар = 4 х Р.02)
Р.06-7 = noA (нормально-відкритий контакт при відсутності несправності)
| Діючий cosφ | Потрібний cosφ | |||||||||||
| 0.80 | 0.82 | 0.84 | 0.85 | 0.87 | 0.89 | 0.91 | 0.93 | 0.95 | 0.96 | 0.98 | 1.00 | |
| 0.30 | 2.43 | 2.48 | 2.53 | 2.56 | 2.61 | 2.67 | 2.72 | 2.78 | 2.85 | 2.89 | 2.98 | 3.18 |
| 0.35 | 1.93 | 1.98 | 2.03 | 2.06 | 2.11 | 2.16 | 2.22 | 2.28 | 2.35 | 2.38 | 2.47 | 2.68 |
| 0.39 | 1.61 | 1.66 | 1.72 | 1.74 | 1.79 | 1.85 | 1.91 | 1.97 | 2.03 | 2.07 | 2.16 | 2.36 |
| 0.44 | 1.29 | 1.34 | 1.39 | 1.42 | 1.47 | 1.53 | 1.59 | 1.65 | 1.71 | 1.75 | 1.84 | 2.04 |
| 0.49 | 1.03 | 1.08 | 1.13 | 1.16 | 1.21 | 1.27 | 1.32 | 1.38 | 1.45 | 1.49 | 1.58 | 1.78 |
| 0.53 | 0.85 | 0.90 | 0.95 | 0.98 | 1.03 | 1.09 | 1.14 | 1.20 | 1.27 | 1.31 | 1.40 | 1.60 |
| 0.58 | 0.65 | 0.71 | 0.76 | 0.78 | 0.84 | 0.89 | 0.95 | 1.01 | 1.08 | 1.11 | 1.20 | 1.40 |
| 0.62 | 0.52 | 0.57 | 0.62 | 0.65 | 0.70 | 0.75 | 0.81 | 0.87 | 0.94 | 0.97 | 1.06 | 1.27 |
| 0.67 | 0.36 | 0.41 | 0.46 | 0.49 | 0.54 | 0.60 | 0.65 | 0.71 | 0.78 | 0.82 | 0.90 | 1.11 |
| 0.72 | 0.21 | 0.27 | 0.32 | 0.34 | 0.40 | 0.45 | 0.51 | 0.57 | 0.64 | 0.67 | 0.76 | 0.96 |
| 0.76 | 0.11 | 0.16 | 0.21 | 0.24 | 0.29 | 0.34 | 0.40 | 0.46 | 0.53 | 0.56 | 0.65 | 0.86 |
| 0.81 | 0.03 | 0.08 | 0.10 | 0.16 | 0.21 | 0.27 | 0.33 | 0.40 | 0.43 | 0.52 | 0.72 | |
| 0.86 | 0.03 | 0.08 | 0.14 | 0.20 | 0.26 | 0.30 | 0.39 | 0.59 | ||||
| 0.90 | 0.03 | 0.09 | 0.16 | 0.19 | 0.28 | 0.48 | ||||||
| 0.95 | 0.04 | 0.13 | 0.33 | |||||||||
Приклад розрахунку конденсаторної установки
Цех заводу обладнаний:
Активна потужність цеху складає:
P = 2 × P1 + 2 × P2 + 3 × P3 + 3 × P4 + 6 × P5 = 2 × 75 + 2 × 35 + 5 × 7,5 + 3 × 5,5 + 6 × 1,5 = 283 кВт
Реактивна потужність цеху складає:
Q = Σ (S × sinφ) = Σ ((P × sinφ) / cosφ) = (2 × P1 × sinφ1) / cosφ1 + (2 × 35 × sinφ2) / cosφ2 +
+ (5 × 7,5 × sinφ3) / cosφ3 + (3 × 5,5 × sinφ4) / cosφ4 + (6 × 1,5 × sinφ5) / cosφ5 = 252 кВАР
Звідси, загальна потужність
![]()
Отже, діючий cosφ в системі:
cosφ = Р / S = 283 / 378 = 0,75
Бажаний коефіцієнт потужності cosφ = 0,95. Згідно таблиці 2, коефіцієнт F = 0,53.
Потужність конденсаторної установки складає:
Q = P × F = 283 × 0,53 = 150 кВАР