Головна » Рішення » Галузеві рішення » Енергетика » Нові рішення з побудови пристроїв АВР
Загальносвітова криза змушує виробників шукати нові, ефективніші техніко-економічні рішення, котрі дають змогу отримувати конкурентоспроможні переваги, що в умовах обмеженого попиту забезпечують одержання замовлень, завантаження виробництва, збереження робочих місць.
Відповідно до п. 1.2.18 ПУЕ електроприймачі першої категорії слід забезпечувати електроенергією від двох незалежних джерел живлення, які взаємно резервують один одного. Переривати електропостачання можна лише на час автоматичного відновлення живлення.
Електроприймачі першої категорії – споживачі енергії, перерва в електропостачанні яких може викликати: небезпеку для життя людей, значний збиток підприємству, пошкодження дорогого обладнання, масове бракування продукції, порушення складного технологічного процесу, порушення функціонування особливо важливих елементів виробничого циклу.
Вимоги, що ставляться до пристроїв автоматичного вводу резерву АВР:
Крім того, для підвищення надійності бажано застосовувати механічне блокування. Застосування моторизованих роз’єднувачів ATyS 3s французької фірми «Socomec» разом із блоками керування «БУАВР КИ» вітчизняного виробника НВП «ВЕЛ» є вдалим поєднанням, що забезпечує виконання усіх перерахованих вище вимог.
Моторизовані перекидні рубильники ATyS M 3s ATyS 3s (від 63 до 3200 А) – це комбінація двох 3- або 4-полюсних вимикачів навантаження з електричним керуванням. Відмінністю побудови схем АВР на базі ATyS 3S від традиційно застосовуваних схем на базі контакторів є:
Блок керування автоматичним вводом резерву «БУАВР КИ» призначений для керування АВР на два мережевих вводи й одне навантаження. Він забезпечує:
Режими роботи «БУАВР»:
Діапазони регулювання уставок за напругою вимикання:

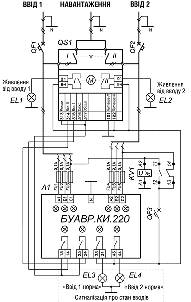
Рис.1. Схема АВР з двома вводами і одним навантаженням на максимальні струми 125–1800 А на моторизованих перемикачах серії ATyS 3s з електричним та механічним блокуванням (виробництва «Socomec»), керуванням від «БУАВР» КИ 220, можливістю керування АВР в автоматичному і ручному режимі, індикацією стану вводів і положення перемикача: QS1 – моторизований перемикач навантаження ATyS 3s, постачальник «СВ Альтера» А1 – блок керування автоматичним вмиканням резерву БУАВР КИ 220, виробник НВП «ВЕЛ» KV1 – реле напруги РН1, виробник НВП «ВЕЛ»
Серія блоків «БУАВР» дає змогу створювати АВР із мінімальною кількістю зовнішніх елементів. Ці пристрої розроблені відповідно до вимог ПУЕ, ГОСТів із врахуванням специфіки вітчизняної енергетики.
Під час виробництва «БУАВР» використовують найсучаснішу елементну базу провідних світових виробників, що разом із системою якості на виробництві забезпечує бездоганну якість і виняткову надійність.
Для оцінки економічного ефекту конструкції «БУАВР» та ATyS 3S наведемо порівняльний аналіз вартості силової групи АВР, виконаної на контакторах, автоматичних вимикачах і на пристрої АтуS 3S (устаткування взяте у відповідній ціновій категорії). Див. рис. 2

Рис.2. Діаграма залежності вартості від варіантів реалізації силової групи АВР:
Як видно з діаграми, економічний ефект досягається на струмах від 250 А і вище. При менших струмах для досягнення економії рекомендуємо застосовувати модульний варіант ATyS M 3S. Використання конфігурації «БУАВР» + ATyS M 3S дає змогу також виконувати АВР на струми 63–160 А у модульній конструкції. Спільне застосування «БУАВР» + ATyS 3S дає змогу отримати просте у виробництві й експлуатації рішення завдання гарантованого енергозабезпечення, більш надійне й ефективне, ніж аналогічні рішення, пропоновані нині на ринку електротехніки.