Головна » Рішення » Галузеві рішення » Машинобудування » Живильник для подачі сипких матеріалів
Живильник (рос. — питатель) призначений для безперервної подачі сипких порошкоподібних і зернистих матеріалів із бункерів та інших завантажувальних пристроїв до транспортувальних або технологічних агрегатів. Такі пристрої випускаються багатьма виробниками серійно з незначними функціональними відмінностями, в залежності від вимоги замовлення. При цьому відрізняються за способом регулювання продуктивності і напруги живлення електродвигуна живильника. Часто живильники використовуються в якості об'ємних дозаторів, аналогічних іншим типам конвеєрів, але, на відміну від них, мають невелику довжину і підвищену потужність електродвигуна. За конструктивним виконанням розрізняють транспортерні, лоткові, плунжерні, барабанні, шнекові, тарільчаті та вібраційні живильники.
Швидкість обертання ротора живильника, який вже використовується у виробництві, знаходиться в межах 2..25 об/хв.
Потужність електродвигуна живильника становить, в середньому, 0,55..2,2 кВт, в залежності від вимоги замовника. Для приводу живильника найчастіше використовуються асинхронні електродвигуни з синхронними швидкостями обертання 1000 і 1500 об/хв.
У живильниках, що застосовуються в сучасній легкій і аграрній промисловості, швидкість обертання ротора живильника встановлюється за допомогою ручки варіатора. При цьому асинхронний двигун запускається від мережі за допомогою електромагнітного контактора, що призводить до більших пускових струмів та надмірному розміру механічної частини системи.
Зовнішній вид живильника з варіатором представлений на схемі.

На рисунку: 1 – асинхронний електродвигун, 2 – ручка варіатора.
Модернізація такого живильника з усуненням усіх вищевказаних недоліків стала можливою із застосуванням обладнання від компанії СВ АЛЬТЕРА.
Механічна система регулювання швидкості змінюється електромеханічною, що містить мотор-редуктор від компанії Transtecno і перетворювач частоти серії ESV від компанії Lenze. Регулювання швидкості обертання ротора живильника здійснюється за допомогою перетворювача частоти. При зміні завдання зі швидкості оператору не потрібно прикладати зусилля для повороту ручки варіатора, підгоняючи «на око» необхідне значення швидкості. У модернізованій системі швидкість встановлюється кнопками на панелі перетворювача.
Другою важливою перевагою є можливість простого реверсу, шляхом натискання кнопок «R-F» на лицевой панелі перетворювача. Режим реверсу використовується в живильниках для прочищення, або коли ротор живильника блокується і його необхідно незначно повернути в зворотний бік. Додатково до цього, використання перетворювача частоти дозволяє забезпечити комплексний захист електродвигуна живильника від перенапруження, перевантаження по струму та перегріву. У разі виникнення аварійної ситуації преобразователь відображає відповідну помилку на дисплеї і не дозволяє запустити електродвигун до усунення несправності.
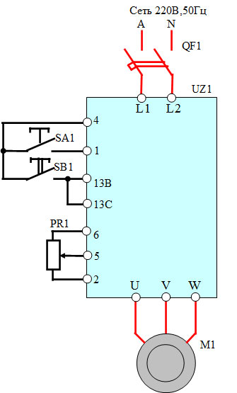
За вимогою замовника керування може здійснюватися не кнопками перетворювача, а за допомогою кнопок і потенціометра виносного пульта керування. Схема елементів підключення для заданої швидкості обертання шнека за допомогою потенціометра, а також можливості реверсу на низькій швидкості наведені на схемі:

Використання обладнання від СВ АЛЬТЕРА дозволило спростити механічну частину живильника, забезпечити повний захист електродвигуна, полегшити роботу оператора установки.