Головна » Корисна інформація » Глосарій
Структура
Индуктивные бесконтактные выключатели Компании «ТЕКО» состоят из следующих основных узлов.

Принцип действия
Принцип действия бесконтактного конечного выключателя (ВК) основан на изменении амплитуды колебаний генератора при внесении в активную зону датчика металлического, магнитного, ферромагнитного или аморфного материала определенных размеров. При подаче питания на конечный выключатель в области его чувствительной поверхности образуется изменяющееся магнитное поле, наводящее во внесенном в зону материале вихревые токи, которые приводят к изменению амплитуды колебаний генератора. В результате вырабатывается аналоговый выходной сигнал, величина которого изменяется от расстояния между датчиком и контролируемым предметом. Триггер преобразует аналоговый сигнал в логический, устанавливая уровень переключения и величину гистерезиса.
Чувствительная поверхность
Чувствительная поверхность - это площадка, ограниченная наружным диаметром ферритового сердечника, на котором собрана электромагнитная система датчика. Диаметр этой поверхности приблизительно равен диаметру датчика.

Активная зона
Активная зона бесконтактного индуктивного выключателя - та область перед его чувствительной поверхностью, где более всего сконцентрировано магнитное поле чувствительного элемента датчика. Она, как правило, соизмерима с размерами чувствительного элемента.

Измерительная пластина
В качестве измерительной пластинки используется стальная квадратная пластинка (сталь 40) толщиной 1 мм со сторонами, равными диаметру активной поверхности. Однако, если произведение 3хSном больше диаметра активной поверхности, то пластина выбирается со сторонами 3хSном.
Расстояние переключения S
Расстояние переключения - расстояние, при котором объект, приближающийся к активной поверхности датчика, вызывает изменение выходного логического сигнала.

Номинальное расстояние переключения Sном
Номинальное расстояние переключения - теоретическая величина, не учитывающая разброс производственных параметров датчика, изменения температуры и напряжения питания.

Эффективный зазор Sэфф
Эффективный зазор Sэфф определяется при номинальном рабочем напряжении и температуре окружающей среды 25°C ± 0,5. В нем учтены производственные разбросы датчика.
0,9Sном ≤ Sэфф ≤ 1,1Sном
Полезный зазор Sпол
Полезный зазор Sпол - это расстояние переключения, учитывающее все производственные разбросы датчика, изменения температуры и напряжения.
0,81Sном ≤ Sпол ≤ 1,21Sном
Рабочий зазор Sраб
Рабочий зазор Sраб - это любое расстояние, обеспечивающее надежную работу бесконтактного выключателя в допустимых пределах температуры и напряжения.
0 ≤ Sраб ≤ 0,8Sном
Поправочный коэффициент рабочего зазора
Поправочный коэффициент дает возможность определить рабочий зазор, который зависит от металла, из которого изготовлен объект воздействия.
| Материал | Коэффициент |
| сталь 40
чугун никель нерж.сталь алюминий латунь медь | 1,0
0,93...1,05 0,65...0,75 0,60...1,00 0,30...0,45 0,35...0,50 0,25...0,45 |
Гистерезис выключателя H
Под гистерезисом понимается разность между точкой включения при приближении измерительной пластинки и точкой выключения при ее отдалении от бесконтактного выключателя. Величина гистерезиса указывается в % от номинального расстояния переключения.

Воспроизводимость точки переключения R
Воспроизводимость точки переключения- точность повторения расстояния переключения при двух последовательных включениях в течение 8 часов при температуре окружающей среды 25°C ± 5, напряжении, отклоняющемся от номинального на 5%, относительной влажности 50...70%.
R ≤ 0,05Sэфф
Частота переключений f
Частота переключений - это максимально возможное число переключений датчика в секунду. В качестве объекта воздействия используются стандартные измерительные пластинки с расстоянием между ними 2d.

Температурный дрейф рабочего зазора
Температурный дрейф рабочего зазора - это отклонение рабочего зазора в диапазоне рабочих температур, выраженное в процентах.
Δ S / S ≤ 10%
Задержка включения
Задержка включения - это время, необходимое бесконтактному выключателю для того, чтобы полностью прийти в рабочее состояние с момента подачи питания.
Крутизна фронтов T
Крутизна фронтов выходного логического сигнала - скорость нарастания/спада напряжения выходного логического сигнала, измеренная в вольт/мкс.
Номинальная нагрузка Rном
Номинальная нагрузка - наименьшее допустимое омическое сопротивление присоединенной нагрузки.
Выходное сопротивление Ro
Выходное сопротивление - внутреннее сопротивление источника выходного сигнала.
Ток холостого хода Iо (остаточный ток Iхх)
Это ток, потребляемый бесконтактным выключателем от источника питания при отключенной нагрузке.
Номинальный ток Іном
Это ток, под действием которого выключатель может находиться длительное время.
Импульсный ток Іmах
Это наибольший допустимый импульсный ток, который может выдержать выключатель.
Защита выключателя
Это электрическая защита устройства от неправильного подключения питания, короткого замыкания выхода, бросков напряжения питания.
Рабочее напряжение Uраб
Это допустимый диапазон напряжения, при котором гарантируется надежная работа выключателя (включая пульсацию).
Расчетное рабочее напряжение Uрас
Это рабочее напряжение, используемое для испытаний без учета допустимых отклонений. Для выключателей постоянного тока Uрас=24В. Для выключателей переменного тока и выключателей переменного/постоянного тока Uрас=110В.
Падение напряжения на датчике
Это напряжение, измеренное на включенном датчике под нагрузкой при номинальном токе Iном.
Пульсация рабочего напряжения
Это отношение амплитуды переменного напряжения к номинальному рабочему напряжению (допустимый максимум 15%).

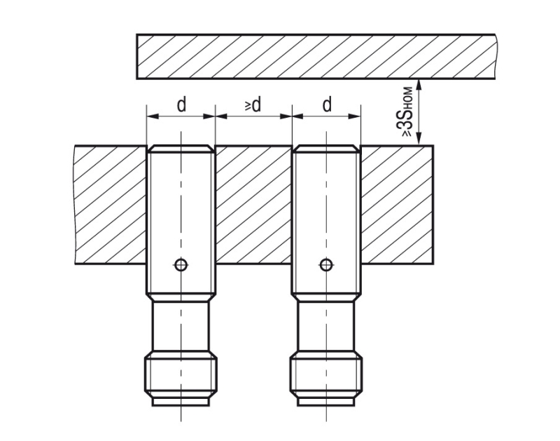
Бесконтактные индуктивные выключатели, встраиваемые заподлицо в металл
Бесконтактные выключатели могут быть встроены в металл до торцевой чувствительной поверхности без изменения рабочих параметров. Между двумя соседними выключателями должно быть расстояние не менее диаметра датчика.

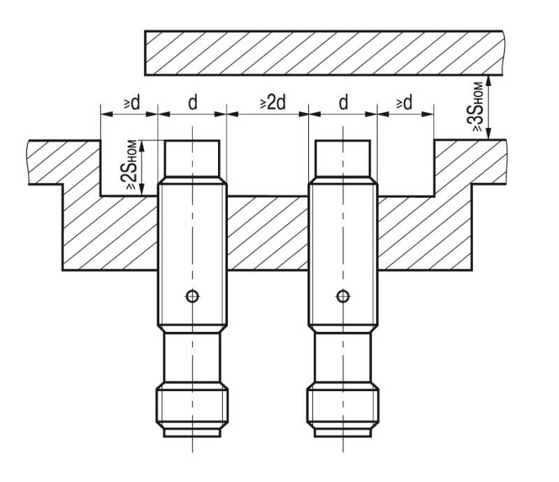
Бесконтактные индуктивные выключатели, не встраиваемые заподлицо в металл
Бесконтактный выключатель является не встраиваемым в металл, если для поддержания его установленных параметров требуется свободная зона (Р), в которой должны отсутствовать материалы, влияющие на данные параметры. Между двумя соседними выключателями должно быть расстояние не менее 2 х с1 активной поверхности.
Встречное расположение бесконтактных выключателей
Бесконтактные выключатели могут быть расположены встречно друг к другу, при этом расстояние между активными поверхностями должно быть более 3Sном.


Нормально разомкнутый - «НР» (замыкающий)
Бесконтактный выключатель обеспечивает функцию замыкающего контакта при появлении в активной зоне измерительной пластинки (в исходном состоянии нагрузка отключена).

Нормально замкнутый - «НЗ» (размыкающий)
Бесконтактный выключатель обеспечивает функцию размыкающего контакта при появлении в активной зоне измерительной пластинки (в исходном состоянии нагрузка подключена).

Функция "исключающее или" (переключающий)
Бесконтактный выключатель одновременно обеспечивает функцию замыкающего и размыкающего контактов.
3-х, 4-х проводные схемы подключения
| Кабельное соединение | Разъемное соединение | |||
| PNP | Замыкающий контакт | 1 | ![]() | |
| Размыкающий контакт | 2 | |||
| Переключающий контакт | 3 | |||
| NPN
| Замыкающий контакт | 4
| ![]() | |
| Размыкающий контакт | 5
| |||
| Переключающий контакт | 6
| |||
2-х проводные схемы подключения
| Кабельное соединение | Разъемное соединение | |||
| Замыкающий контакт | 7
| ![]() | ||
| Размыкающий контакт | 8
| |||
| Замыкающий контакт | 9
| ![]() | ||
| Размыкающий контакт | 10
| |||
Без заземления
| Кабельное соединение | Разъемное соединение | |||
| Замыкающий контакт | 11 | | ||
| Размыкающий контакт | 12
| |||
С заземлением
| Замыкающий контакт | 13
| ![]() | ||
| Размыкающий контакт | 14
| |||
Без заземления
|
| 15
| ![]() | ||
| Размыкающий контакт | 16
| |||
С заземлением
| Замыкающий контакт | 17
| ![]() | ||
| Размыкающий контакт | 18
| |||
Без заземления
| Кабельное соединение | Разъемное соединение | |||
| Замыкающий контакт | 19 | ![]() | ||
| Размыкающий контакт | 20
| |||
С заземлением
| Замыкающий контакт | 21
| ![]() | ||
| Размыкающий контакт | 22
| |||
Без заземления
|
| 23
| ![]() | ||
| Размыкающий контакт | 24
| |||
С заземлением
| Замыкающий контакт | 25
| ![]() | ||
| Размыкающий контакт | 26
| |||
Схема подключения с открытым коллектором
| NPN | Замыкающий контакт | 27
| ![]() | |
| Размыкающий контакт | 28
| |||
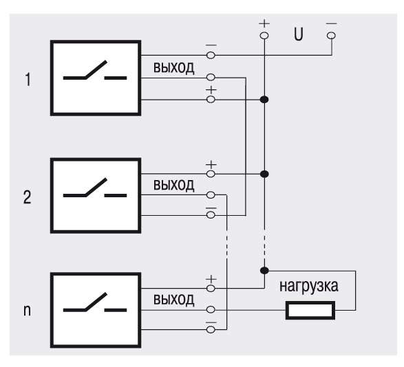
Функция "И" (последовательная)
Схема собрана из выключателей постоянного напряжения исполнения PNP с функцией "нормально разомкнутого контакта". На каждом датчике происходит падение напряжения около 1 вольта. Поэтому ограничено количество элементов "n" в схеме. Кроме того, необходимо учитывать токи холостого хода отдельных датчиков.

Схема собрана из выключателей постоянного напряжения исполнения NPN с функцией "нормально разомкнутого контакта".

Функция "ИЛИ" (параллельная)
Схема собрана из выключателей постоянного напряжения исполнения PNP с функцией "нормально разомкнутого контакта".

Схема собрана из выключателей постоянного напряжения исполнения NPN с функцией "нормально разомкнутого контакта".

Параллельное соединение бесконтактных выключателей переменного напряжения не рекомендуется, так как в связи с нарастанием колебаний генератора могут появляться ошибочные импульсы.
Последовательная схема может быть собрана из двух выключателей переменного напряжения. В каждом датчике происходит падение напряжения около 5 вольт.
Схема собирается из выключателя переменного напряжения и механического выключателя. Схема позволяет выключить нагрузку при включенном состоянии бесконтактного переключателя.

Эта схема обеспечивает возможность включения нагрузки при невключенном датчике.
