Головна » Рішення » Галузеві рішення » Енергетика » Пристрої плавного пуску. Переваги використання.
Пристрої плавного пуску використовуються для плавного пуску та зупинки трифазних асинхронних двигунів з короткозамкненими роторами. Переваги використання даного пристрої є очевидні:
Пристрої плавного пуску використовують для керування привідними двигунами насосів, компресорів, вентиляторів, транспортерів, спеціальних механізмів, які потребують плавного безударного пуску, для убезпечення від поломки механічної частини.
Розглянемо кілька типів пристоїв плавного пуску, які пропонує СВ АЛЬТЕРА.
Прості у інсталяції та використанні представлені фірмою Carlo Gavazzi.
|
![]() |
|
Основні характеристики:
Поряд з простотою та відносно низькою ціною, пристрої плавного пуску фірми Carlo Gavazzi мають такі недоліки:
Останнє обмежує використання для механізмів з важким пуском. Це пояснється тим, що струм по двох фазам контролюється і регулюється напівпровідниковим ключем, а струм третьої фази проходить через прохідну клему, як показано на структурній схем. Тому відбувається перекос фаз в момент пуску. Незважаючи на вказані недоліки, пристрої плавного пуску фірми Carlo Gavazzi є надійним обладнанням і з успіхом використовуються в механізмах, де не ставляться вимоги до високого пускового моменту, такі як транспортери, насоси і т.д.

Структурна схема.

Схема без використання обхідного контактора

Схема з використанням обхідного контактора
Для надійної та безаварійної роботи пристрою плавного пуску, необхідно використати на вводі відповідні швидкодіючі запобіжники та теплове реле захисту двигуна.
Пристрої плавного пуску типу ADX представлені фірмою Lovato.
Пускач ADX розроблений у відповідності з «методом найгіршого випадку», що дозволяє використовувати у тяжких режимах. В пристрої використані новітні електронні компоненти (SMD, Flash мікропроцесор, високочастотні пристрої) і сучасні технології, які забезпечують пускачу високу надійність і коефіцієнт корисної дії.
ADX... — пристрій плавного пуску з пониженою пусковою напругою, з керуванням моментом та обмеженням максимального пускового струму. Використовується для плавного пуску і зупинки трифазних асинхронних двигунів з короткозамкнутим ротором. Вбудований обхідний контактор значно обмежує теплові втрати потужності, як результат — усунення системи вентиляції і зниження розмірів панелі.

Керування
Дистанційне керування і контроль через інтерфейс RS232/RS485, модем або GSM модем. Функція автоматичного дозвону (Autocall) у випадку аварійної ситуації і відправлення повідомлень на мобільний телефон (SMS-Short Message Service), і/або на електронну пошту.
Панель керування
Додаткові функції
Цифрові входи і програмовні релейні виходи. Аналоговий вхід (0...10V, 0...20mA або 4...20mA) для лінійного прискорення і/або гальмування, пуску двигуна, програмоване релейне блокування і розблокування керуючих порогових значень.
Аналоговий вихід (0...10V, 0...20mA або 4...20mA) для контролю струму, моменту, теплового стану двигуна і коефіцієнта потужності.
Захист
Техничні параметри
Рекомендації
Компенсація реактивної потужності
Завжди встановлювати конденсатори для компенсації реактивної потужності в схему вище пристрою плавного пуску разом з відповідним контактором і захистом фаз. Конденсатор повинен бути ввімкнений тільки у початкову фаза пуску і вимкений в кінцеву фазу пуску. Реле пускача програмується командою "Up to speed" і повинне використовуватися для керування контактором конденсатора.

Інтерфейс RS232 використовують для зв'язку з комп'ютером, модемом або GSM модемом.
Функціональна клавіатура
Функціональна клавіатура інтегрована в пускач, але при відключеному стані керувати з неї двигуном неможлино.
Програмне забезпечення
Настройки та дистанційний контроль може здійснюватися з персонального комп'ютера з допомогою інтерфейса RS232. Основні можливості програмного забезпечення:
Електричні схеми
Наступні схеми представляють типові підключення пускача типу ADX. Для спеціального використання використовувати відповідні схеми.
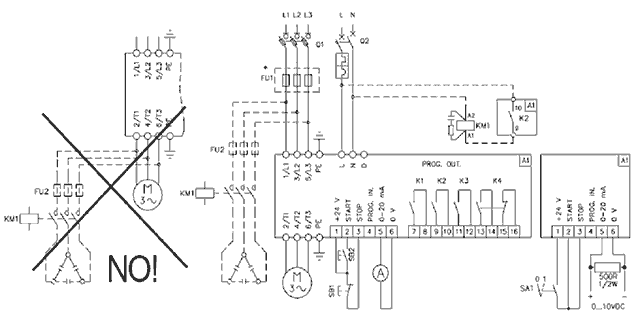
Однонаправлений пуск, вільний хід або м'яка зупинка.

Конденсаторні банки для корекції повинні бути ввімкнені в кінці періоду пуску і вимкнені до періоду зупинки або гальмування. Для керування контактором KM1 використовується реле K2-налаштоване функцією "Up to speed".
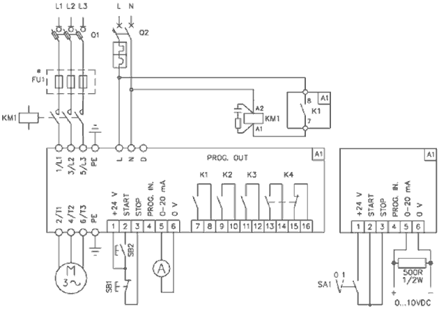
Однонаправлений пуск, лінійний контактор і вільний хід або м'яка зупинка .

Реле K1 підключається функцією "Motor powered".
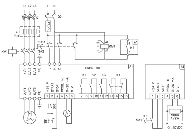
Однонаправлений пуск, лінійний контактор і вільний хід або м'яка зупинка, а також прямий пуск лінійним контактором у випадку відмови пускача (тільки для пускачів з вбудованим контактором)

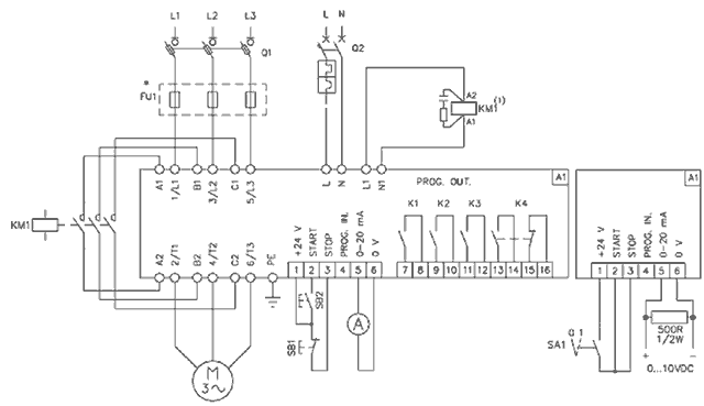
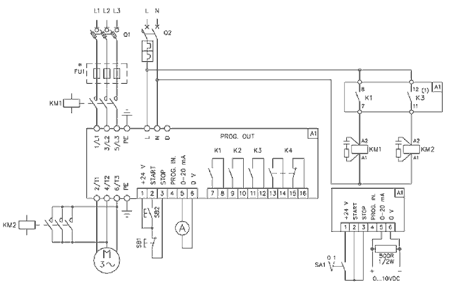
Однонаправлений пуск, лінійний контактор і гальмування.
Реле K1 підключається функцією "Motor powered".
Увага. Функція «Гальмування» підключена до реле K3. Неправильне підключення до реле K3 може призвести до значного пошкодження пускача. Навантаження гальмування регулюється параметром P15, час гальмування — параметром P16.
Однонаправление пуск, вільний хід або повільна зупинка. (для пускачів з зовнішнім контактором)

Увага. Номінальний струм контактора KM1 повинен бути 1.5Ін.
Пуск та зупинка двигуна.
Пуск двигуна керується через входи START і STOP, доступні з терміналу керування. Два входи приєднані до "+24V", коли система повністю зупинена. Кнопки СТАРТ і СТОП підключаються відповідно до схем. Відключення входу STOP від "+24V" коли сигнал тревоги обнулений. Керування start/stop може здійснюватися клавіатурою, якщо таке налаштування активоване. Важливо використати цю функцію при настройці пускача.