Головна » Продукція » Контрольно-вимірювальні прилади та елементи автоматизації технологічних процесів » Елементи пневмоавтоматики » Фітинги » З’єднувач цанговий прямий з різьбовою муфтою R10
З'єднувач цанговий прямий для трубок однакового або різного діаметра від 3 до 14 мм, обладнаний підтискними гайками.
Цангові фітинги дозволяють швидко здійснювати з'єднання, а також заміну різних трубок між собою. Мають високий рівень ущільнення, витримують високі показники тиску. Італійські фітинги Metal Work вважаються одними з найбільш зручних, практичних та довговічних.
|
|
METRIC або G (BSP)* | UNF або NPT ** |
|---|---|---|
| Нарізне з’єднання | Metric: M3 - M5 - M7 - M12x1.5 | UNF: 10-32 |
|
|
G (BSP): 1/8 - 1/4 - 3/8 - 1/2 | NPT: 1/8 - 1/4 - 3/8 - 1/2 |
| Діаметр трубки, мм | 3 - 3.17 - 4 - 5 - 6 - 8 - 10 - 12 - 14 | 1/8 - 5/32 - 1/4 - 5/16 - 3/8 - 1/2 |
| Температура для латунних виконань, °C | – 20 до + 80 | |
| Температура для полімерних виконань, °C | – 20 до + 60 | |
| Тиск для латунних виконань | – 0.99 бар ... 16 бар/ – 0.099 МПа ... 1.6 МПа | |
| Тиск для полимерних виконань | – 0.99 бар ... 12 бар / – 0.099 МПа... 1.2 МПа | |
| Рекомендовані трубки | Ріслан PA 11 – Нейлон 6 – Поліамід 12 – Поліетилен | |
| Середовище | Вакуум – стиснене повітря | |
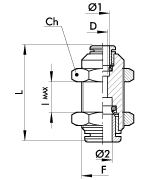
| Код | Ref. | Ø 1 | Ø 2 |
F |
Ch |
L | D | I max |
|---|---|---|---|---|---|---|---|---|
| 2011A02 | R10 | 3 |
3 |
M8x0.75 |
10 |
18.4 |
2 |
5 |
| 2011A01 | R10 | 3.17 |
3.17 |
M8x0.75 |
10 |
18.4 |
2 |
5 |
| 2L11001 | RL10 |
4 |
4 |
M11x1 |
13 |
30.6 |
2.5 |
11 |
| 2011002 | R10 |
5 |
5 |
M14x1 |
17 |
33.5 |
4 |
8 |
| 2L11003 | RL10 |
6 |
6 |
M13x1 |
16 |
33 |
4.5 |
12 |
| 2L11004 | RL10 |
8 |
8 |
M15x1 |
17 |
35.7 |
6.5 |
13.5 |
| 2L11005 | RL10 |
10 |
10 |
M17x1 |
20 |
39.2 |
8 |
17 |
| 2011006 | RL10 |
12 |
12 |
M20x1 |
24 |
40.7 |
10 |
20.3 |
| 2011007 | RL10 |
14 |
14 | M24x1 |
27 |
40.9 |
12 |
21.9 |
|
|
||||||||
| 2L11301 | RL10 |
4 |
6 |
M13x1 |
16 |
32.7 |
2.5 |
11 |
| 2L11302 | RL10 |
4 |
8 |
M15x1 |
17 |
34.4 |
2.5 |
12 |
| 2L11303 | RL10 | 6 |
8 |
M15x1 |
17 |
35 |
4.5 |
13 |
| 2L11304 | RL10 |
6 |
10 |
M17x1 |
20 |
37.5 |
4.5 |
14.5 |
| 2L11306 | RL10 |
6 |
12 |
M20x1 |
24 |
39 |
4.5 |
16 |
| 2L11305 | RL10 |
8 |
10 |
M17x1 |
20 |
37.8 |
6.5 |
15 |
| 2L11307 | RL10 |
8 |
12 |
M20x1 |
24 |
40.1 |
6 |
17.5 |
| 2L11308 | RL10 |
10 |
12 |
M20x1 |
24 |
40.8 |
8 |
19 |
Увага! На сайті представлена лише частина продукції наших партнерів.
Зверніться до менеджерів СВ АЛЬТЕРА, щоб замовити будь-яку з актуальних моделей.
Вид: Список | Таблиця | Фотографії
Сортування: Найменування | Ціна | Наявність